一站式电子元器件采购平台

华强商城公众号

一站式电子元器件采购平台

元器件移动商城,随时随地采购

华强商城M站

元器件移动商城,随时随地采购

半导体行业观察第一站!

芯八哥公众号

半导体行业观察第一站!

专注电子产业链,坚持深度原创

华强微电子公众号

专注电子产业链,
坚持深度原创

电子元器件原材料采购信息平台

华强电子网公众号

电子元器件原材料采购
信息平台

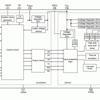
东芝TB67B000AHG三相无刷电机驱动器的介绍、特性、及应用

来源:HQBUY 发布时间:2021-08-31

摘要: 东芝TB67B000AHG三相无刷电机驱动器集成高压PWM无刷电机驱动器和控制器,支持正弦波PWM驱动和广角换流。该驱动器具有内置振荡电路、自举二极管、过流保护、热关闭、欠压锁定和电机锁定检测。设计了TB67B000AHG三相驱动器,利用来...


    东芝TB67B000AHG三相无刷电机驱动器集成高压PWM无刷电机驱动器和控制器,支持正弦波PWM驱动和广角换流。该驱动器具有内置振荡电路、自举二极管、过流保护、热关闭、欠压锁定和电机锁定检测。设计了TB67B000AHG三相驱动器,利用来自单片机的速度控制模拟信号直接改变无刷电机的速度。


    特性

    • 高压PWM无刷电机驱动

    • 集成了支持正弦波PWM驱动和广角换相的控制器和单包高压驱动(MCP)

    • igbt设置在三相桥接单元中

    • 内置自举二极管作为自举电路

    • 具有过流保护,热关闭,欠压锁定,电机锁定检测


    规范

    • 载波频率为252Hz的内置振荡电路

    • 内部电压常规电路,V(REG)=5V(典型),30mA (max), V(refout)+5V(典型),35mA (max)

    • 工作电源电压范围:V(CC)=13.5V ~ 16.5V

    • 电机电源工作电压范围,V(BB)=50V ~ 450V


    框图



    销图


    声明:本文观点仅代表作者本人,不代表华强商城的观点和立场。如有侵权或者其他问题,请联系本站修改或删除。

    社群二维码

    关注“华强商城“微信公众号

    调查问卷

    请问您是:

    您希望看到什么内容: