华强商城 被动器件(电容/电阻/电感) BOM配单 原厂专区 PCB制板 积分兑换
0
首页>IC索引

AD7606-6

6通道DAS,内置16位、双极性、同步采样ADC

AD7606-6产品信息:

概览

优势和特点

  • 8/6/4路同步采样输入
  • 真双极性模拟输入范围:±10 V、±5 V
  • 5V模拟单电源,2.3V至+5V V(DRIVE)
  • 完全集成的数据采集解决方案
    • 模拟输入箝位保护
    • 具有1 毫欧模拟输入阻抗的输入缓冲器
    • 二阶抗混叠模拟滤波器
    • 片内精密基准电压及基准电压缓冲器
    • 16位、200 kSPS ADC(所有通道)
    • 通过数字滤波器提供过采样功能
  • 灵活的并行/串行接口
    • SPI/QSPI /MICROWIRE /DSP兼容
  • 性能
    • o 模拟输入通道提供7 kV ESD额定值
    • 5.5 dB SNR,-107 dB THD
    • ±0.5 LSB INL、±0.5 LSB DNL
    • 低功耗:100 mW
    • 待机模式:25 mW
  • 温度范围:-40°C至+85°C
  • 64引脚LQFP封装

产品详情

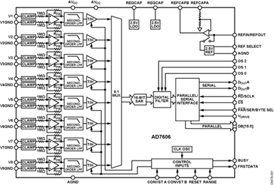
AD7606/AD7606-6/AD7606-4分别是16位、8/6/4通道同步采样模数数据采集系统(DAS)。各器件均内置模拟输入箝位保护、二阶抗混叠滤波器、采样保持放大器、16位电荷再分配逐次逼近模数转换器(ADC)、灵活的数字滤波器、2.5 V基准电压源、基准电压缓冲以及高速串行和并行接口。

AD7606/AD7606-6/AD7606-4采用5 V单电源供电,可以处理±10 V和±5 V真双极性输入信号,同时所有通道均能以高达200 kSPS的吞吐速率采样。输入箝位保护电路可以耐受高达±16.5 V的电压。无论以何种采样频率工作,AD7606的模拟输入阻抗均为1 毫欧。它采用单电源工作方式,具有片内滤波和高输入阻抗,因此无需驱动运算放大器和外部双极性电源。AD7606/AD7606-6/AD7606-4抗混叠滤波器的3 dB截止频率为22 kHz;当采样速率为200 kSPS时,它具有40 dB抗混叠抑制特性。灵活的数字滤波器采用引脚驱动,可以改善信噪比(SNR),并降低3 dB带宽。

应用
  • 电力线监控和保护系统
  • 多相电机控制
  • 仪表和控制系统
  • 多轴定位系统
  • 数据采集系统(DAS)


AD7606-6数据手册:

AD7606-6引脚功能、电路图:

电力系统中多通道同步采样ADC(AD7606)与浮点DSP(ADSP-21479)通信的设计与实现

1.简介1.1 AD7606简介AD7606是16位,8通道同步采样模数数据采集系统。AD7606完全满足电力系统的要求,具有灵活的数字滤波器、2.5V基准电压源、基准电压缓冲以及高速串行和并行接口。

ADI 推出新版实验室电路

高先生是国内某电力二次设备制造商的硬件设计工程师,在去年底,他接到一个看似简单却挠头的项目 -- 负责用 ADI 公司新推出的16位8通道同步采样 ADC 芯片 AD7606 替换之前采用的某款6通道

基于16位8通道DAS AD7606的可扩展多通道同步采样数据采集系统(DAS)的布局考虑

这些应用中,通道数量从6个到64个以上不等。高集成度使得每个AD7606只需9个低值陶瓷去耦电容就能工作。  在测量和保护系统中,为了保持多相电力

ADI 新版实验室电路实现系统集成和技术进阶

高先生是国内某电力二次设备制造商的硬件设计工程师,在去年底,他接到一个看似简单却挠头的项目 -- 负责用 ADI 公司新推出的16位8通道同步采样 ADC 芯片 AD7606 替换之前采用的某款6通道

DSP控制AD7606的硬件与程序经验总结

现在想要达到更高的精度,打算采用16位的AD芯片,就申请了ADI的AD7606芯片,先是自己用普通的电烙铁把它焊在转接板上,精细活啊,还弄废了一片,罪过

ADI推出AD7606和AD7607简化电力线监控系统

  Analog Devices, Inc,全球领先的高性能信号处理解决方案供应商,最新推出简化下一代电力线监控系统设计的同步采样 ADC(模数转换器) (http://www.analog.com/zh/ADC )。随着全球电力需求的增加,对更高效的变电站和“智能电网”管理的需求也在不断增加。电力公司需要电力线监控系统,以对能量的消耗情况、成本和质量进行监视和控制,并保护昂贵的设备不被电源浪涌和恶劣的暴风雨毁坏。  “ADI 公司的新型同步采样 ADC

ADI ADC AD7606/07简化电力线监控系统设计

ADI公司同时提供16位八通道AD7606和14位八通道AD7607同时采样ADC的六通道或四通道版本,可实现90dB的SNR(信噪比)。可选的

ADI斩获四项2010年度EDN China创新奖

ADI在本年度EDNChina创新奖所获奖项分别是:AD7606:8通道DAS,内置16位、双极性、同步采样ADC获“模拟与混合信号”最佳产品奖;A

ADI推出AD7606和AD7607简化电力线监控系统设计

AnalogDevices,Inc,全球领先的高性能信号处理解决方案供应商,最新推出简化下一代电力线监控系统设计的同步采样ADC(模数转换器)(http://www.analog.com/zh/ADC)。随着全球电力需求的增加,对更高效的变电站和“智能电网”管理的需求也在不断增加。电力公司需要电力线监控系统,以对能量的消耗情况、成本和质量进行监视和控制,并保护昂贵的设备不被电源浪涌和恶劣的暴风雨毁坏。“ADI公司的新型同步采样ADC可提供下一代电力线监

相关型号:

AS ACT85610 ACT4921 ACT4911 ACT4910
ACT8945A ACT8892 ACT88760 ACT8870 ACT8865
ACT8849 ACT8847 ACT8846 ACT88430 ACT8840
ACT88329 ACT88327 ACT88326 ACT88325 ACT88321
按首字母检索