华强商城 被动器件(电容/电阻/电感) BOM配单 原厂专区 PCB制板 积分兑换
0
首页>IC索引

B5973D

最高2 A的降压开关稳压器,用于汽车应用

B5973D产品信息:

描述

B5973D是一个压降单片功率开关稳压器,最小开关电流限制为2.25 a,因此根据应用条件,它能够提供高达2a的直流电流到负载。输出电压可设置为1.235 V至35 V。高电流水平的实现还得益于一个HSOP8封装(即SO8封装与暴露的框架),这允许降低R (th(JA))降至约40°C/W。该设备使用一个内部的p通道DMOS晶体管或(与典型的R (DSon)的250 毫欧)作为开关元件,以尽量减少外部元件的尺寸。内部振荡器将开关频率固定在250千赫。其最小输入电压仅为4v,特别适用于5v总线。脉冲脉冲限流与内部调频提供了有效的恒流短路保护。
  • 所有功能

    • 符合AEC-Q100要求(温度等级1),详见PPAP。
    • 2a直流输出电流
    • 操作输入电压范围为4v ~ 36v
    • 3.3 V /(±2%)参考电压
    • 输出电压可从1.235 V到35 V
    • 低dropout操作:100%占空比
    • 250khz内部固定频率
    • 电压前馈
    • 零负载电流运行
    • 内部限流
    • 禁止零电流消耗
    • 同步
    • 保护再次反馈断开
    • 热关机

B5973D数据手册:

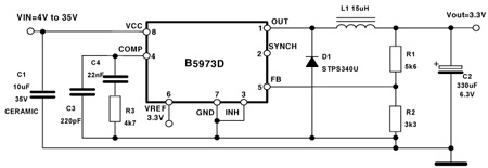
B5973D引脚功能、电路图:

相关型号:

BB156 BAP50LX BAP142LX BB208-03 BB171
BAT18 BAP70AM BAP70-04W BAP70-03 BAP65LX
BAP65-05W BAP65-05 BAP64-06W BAP64-06 BAP64-05
BAP64-04 BAP51-06W BAP51-05W BAP51-04W BAP50-05W
按首字母检索