华强商城
被动器件(电容/电阻/电感)
BOM配单
原厂专区
PCB制板
积分兑换
关键词必须两个字符以上
搜索
最近搜索
清除记录
0
购物车
询价
客服
客服
微信扫一扫
热线
客服热线
400-830-6691
服务时间
周一至周六 9:00~18:00
公众号
关注微信公众号
首页
>
IC索引
KBJ610G
分享到:
桥式整流器
KBJ610G产品信息:
KBJ610G数据手册:
ds21207.pdf
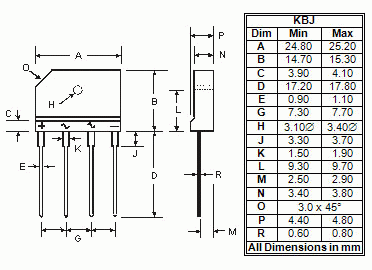
KBJ610G引脚功能、电路图:
相关型号:
KT-Z
KT-N
K75FC300P060AAA
K03TF100N040AAA
K03TF080N040AAA
K44TF200N040AAA
K44TF150N040AAA
K03HK100P160AAA
K03HK060P160AAA
K03HK030P160AAA
K02HK100P080AAA
K02HK060P080AAA
K02HK030P080AAA
K44HD150P160AAA
K03HC100P160AAA
K03HC060P160AAA
K03HC030P160AAA
K03HA100P160AAA
K03HA060P160AAA
K03HA030P160AAA
按首字母检索
A
B
C
D
E
F
G
H
I
J
K
L
M
N
O
P
Q
R
S
T
U
V
W
X
Y
Z
0
1
2
3
4
5
6
7
8
9