华强商城 被动器件(电容/电阻/电感) BOM配单 原厂专区 PCB制板 积分兑换
0
首页>IC索引

PTD08A020W

20A、4.75V 至 14V、非隔离式数字电源传动模块

PTD08A020W产品信息:

PTD08A020W是一款高性能的20a额定,非隔离数字动力总成模块。该模块是集成了UCD7230 MOSFET驱动IC的数字电源系统的电源转换秒,PTD08A020W必须与数字电源控制器如UCD9240或UCD9110系列一起使用。PTD08A020W接收来自数字控制器的控制信号,并向数字控制器提供参数和状态信息。一起,动力总成模块和数字电源控制器形成了一个复杂的,健壮的,易于配置的电源管理解决方案。

在4.75 V ~ 14v的输入电压范围内,PTD08A020W提供降压转换,输出电压范围为0.7 V ~ 3.6 V。广泛的输入电压范围使PTD08A020W特别适用于高级计算机和服务器应用程序,在总线上采用松散调节的8-V, 9.6-V或12-V中间配电。此外,宽输入电压范围增加了设计的灵活性,通过支持微调的5 v或12 v中间总线架构。

该模块集成了输出过流和温度监测,可防止大多数负载故障。输出电流和模块温度信号提供给数字控制器,允许用户定义过电流和超温警告和故障场景。

该模块采用双面表面安装结构,以提供低轮廓和紧凑的足迹。封装操作包括通孔和表面安装配置,无铅(Pb)和RoHS兼容。

PTD08A020W数据手册:

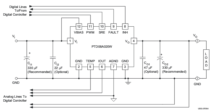
PTD08A020W引脚功能、电路图:

相关型号:

PB508AC PT308AC P20B80 P16B80 P9B80
PRFMB400W12 PRFMB300W12 PRFMB200W12 PRFMB150W12 PRFMB100W12
PRFMB75W12 PRFMB50W12 PRFMB400W6 PRFMB300W6 PRFMB200W6
PRFMB150W6 PRFMB100W6 PRFMB75W6 PRFMB50W6 PRHMB400W12
按首字母检索