华强商城 被动器件(电容/电阻/电感) BOM配单 原厂专区 PCB制板 积分兑换
0
首页>IC索引

PTD08D210W

10A、4.75V 至 14V、双路非隔离式数字电源传动模块

PTD08D210W产品信息:

PTD08D210W是一款高性能双10-A输出,非隔离数字动力总成 模块。PTD08D210W必须与数字电源控制器(如UCD9240, UCD9220或UCD9110系列)联合使用。PTD08D210W接收来自数字控制器的控制信号,并提供参数和状态信息返回到数字控制器。一起,动力总成模块和数字电源控制器形成了一个复杂的,健壮的,易于配置的电源管理解决方案。

从4.75 V到14 V的输入电压范围,PTD08D210W提供降压电源转换,输出电压范围从0.7 V到3.6 V。广泛的输入电压范围使PTD08D210W特别适用于先进的计算机和服务器应用程序,在总线上采用松散的调节8-V, 9.6-V或12-V中间分布。此外,宽输入电压范围增加了设计的灵活性,通过支持微调的5 v或12 v中间总线架构。

该模块集成了输出过流和温度监测,可防止大多数负载故障。输出电流和模块温度信号提供给数字控制器,允许用户定义过电流和超温警告和故障场景。

该模块采用单面、无针表面安装结构,以提供低轮廓和紧凑的占地面积。包装是不含铅和RoHS

PTD08D210W数据手册:

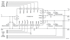
PTD08D210W引脚功能、电路图:

相关型号:

PB508AC PT308AC P20B80 P16B80 P9B80
PRFMB400W12 PRFMB300W12 PRFMB200W12 PRFMB150W12 PRFMB100W12
PRFMB75W12 PRFMB50W12 PRFMB400W6 PRFMB300W6 PRFMB200W6
PRFMB150W6 PRFMB100W6 PRFMB75W6 PRFMB50W6 PRHMB400W12
按首字母检索