华强商城 被动器件(电容/电阻/电感) BOM配单 原厂专区 PCB制板 积分兑换
0
首页>IC索引

TPS62090-Q1

汽车: 3A、2.5V 至 6V 输入、效率为 97%、采用 3x3 QFN 封装的降压转换器

TPS62090-Q1产品信息:

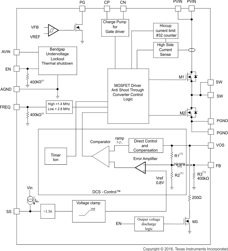
TPS6209X-Q1 器件是一款高频同步降压转换器,此转换器针对小解决方案尺寸、高效应用进行了优化并适合于电池供电类应用。 为了最大限度地提升效率,此转换器运行在 2.8MHz/1.4MHz 的标称开关频率的脉宽调制 (PWM) 模式下并在轻负载时自动进入省电运行模式。 当被用于分布式电源和负载点调制时,此器件允许到其它电源轨的电压跟踪并可耐受范围在 10µF 到高达 150µF 甚至更高的输出电容。 通过使用 DCS-Control 控制技术,此器件可实现出色的负载静态性能以及精确的输出电压调节。

此输出电压启动斜波由软启动引脚控制,从而使器件可作为独立电源运行或运行在跟踪配置下。 通过配置使能和电源正常引脚也有可能实现电源排序。 在省电模式下,此器件运行在典型值为 20µA 静态电流下。 在全部负载电流范围内,自动进入省电模式并且无缝保持高效。

TPS62090-Q1数据手册:

TPS62090-Q1引脚功能、电路图:

Q1

【用 途】 一般型贴片管【性能 参数】硅 NPN Rb=Rbe=470kΩ 20V 0.03A【互换 兼容】FMQ1

TI新一代LED驱动器

tlc6c598-q1 与 tlc6c5912-q1 特性与优势: 最高额定电压:tlc6c598-q1 与 tlc6c5912-q1 可在所有输出上实现高达 40v 的最高额定电压。有助于 tlc6c598-q1 为多达 8 串 led 供电,tlc6c5912-q1 为多达 12 串 led 供电,这些 led 串直接与汽车电池相连; 热关断保护:tlc6c598-q1 与 tlc6c591

cd4013产生的方波发生器电路 - 信号处理电子电路图

接通电源,S1=1,使Q1=1,Q1=0,Q1通过R2向C2充电。当R1=1时,FF1复位,Q1=0,Q1=1,C2通过二极管VD2向Q1放电,同时1通过R1向C1充电。当充到CP1为1时,FF1翻转,使Q1=1,Q1=0,C1通过二极管VD1向1放电,Q1通过R2又向C2充电。周而复始产生振荡。

TPS43332-Q1

【用 途】 电源控制电路【性能 参数】  采用HTSSOP-38(DAP)封装,降压输出范围0.9V至11V,可选择升压输出:7V/10V/11V,可编程频率和外部同步范围150kHz至600kHz,分开的启动输入(ENA,ENB),低关断电流Ish 引脚排列图:【互换 兼容】

LM2904-Q1

【用 途】 【性能 参数】【互换 兼容】

TPIC74100-Q1

PIC74100-Q1是一款降压-升压开关模式调节器。其规定的工作温度范围为-40℃~+125℃。   同时又是一款符合汽车电子标准的DC/DC电源管理IC。

TWL1103T-Q1

【用 途】 【性能 参数】【互换 兼容】

TPIC71004-Q1

主要特性与优势 • 安全性设计:tpic71004-q1 是一款四通道爆管驱动器。每通道包含提供独立控制逻辑的高侧与低侧开关,可为不慎气囊部署;; 深圳市洛克里奇科技有限公司;;

TPS43330-Q1

【用 途】 DC/DC控制器【性能 参数】  采用HTSSOP-38(DAP)封装,降压输出范围0.9V至11V,可选择升压输出:7V/10V/11V,可编程频率和外部同步范围150kHz至600kHz,分开的启动输入(ENA,ENB),低关断电流Ish 引脚排列图:【互换 兼

LM2903-Q1

【用 途】 【性能 参数】【互换 兼容】

相关型号:

TCH20A20 TCH30A15 TCH20A15 TCH10A15 TCH20A10
TCH10A10 TCH30A06 TCH20A20-11A TCH30A15-11A TCH20A15-11A
TCH10A15-11A TCH20A10-11A TCH10A10-11A TCH30A06-11A TCQ30A06
TCQ30A04 TCQ20A04 TCQ10A04 TCQ20A03L TCQ30A06-11A
按首字母检索