华强商城 被动器件(电容/电阻/电感) BOM配单 原厂专区 PCB制板 积分兑换
0
首页>IC索引

TPS62110-Q1

采用 QFN-16 封装的汽车类 3V 至 17V、1.5A 降压转换器

TPS62110-Q1产品信息:

TPS62110是一款低噪声同步降压dc-dc转换器,非常适合使用2芯锂离子电池或12v或15v轨道供电的系统。

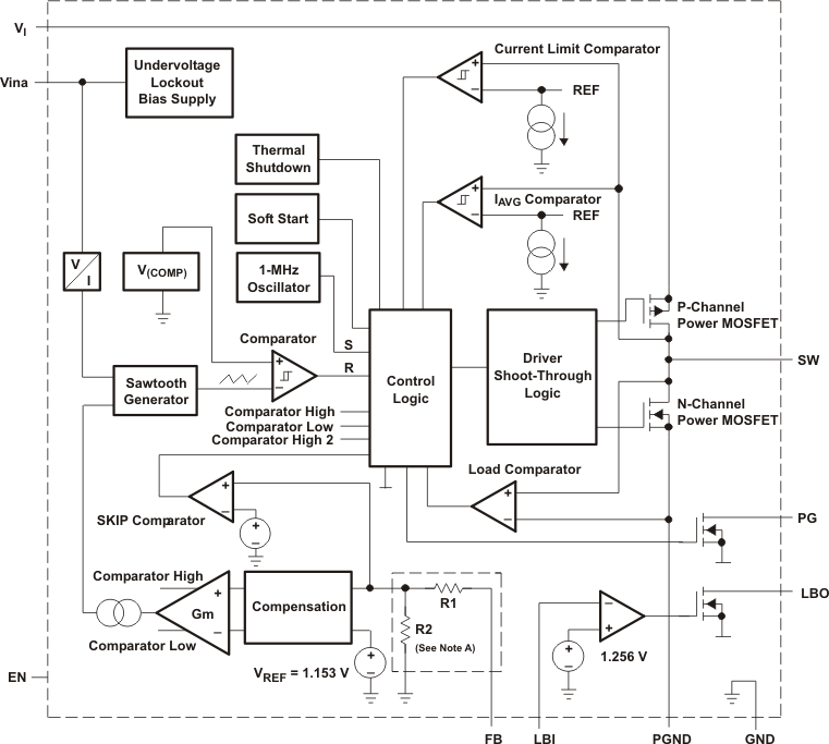
TPS62110是集成n通道和p通道功率MOSFET开关的同步PWM变换器。采用同步开关,提高效率,减少外部元件数量。为了在宽负载电流范围内实现最高效率,转换器在轻负载电流下进入节电、脉冲频率调制(PFM)模式。工作频率通常为1 MHz,允许使用较小的电感和电容值。设备可与外部时钟信号同步,同步范围为0.8 ~ 1.4 MHz。为了降低噪声,变换器可以在PWM-only模式下工作。在shutdown模式下,当前的消耗将减少到小于2个µA。TPS62110可在16引脚(RSA) QFN封装和工作在自由空气温度范围-40°C至125°C。

TPS62110-Q1数据手册:

TPS62110-Q1引脚功能、电路图:

TPS62110

【用 途】 LED电源管理芯片【性能 参数】  采用16脚QFN封装,可调输入电压:3.1V~17V,可调输出电压:1.2V~15V,最大输出电流:1.5A,最高效率达95%,静态电流:20uA;断电模式下为2uA,开关频率:1MHz,电源状态良好指示与电池电量不足检测,软启动限制浪涌电流。    主要优势    填补了便携式应用中

TI新款DC/DC转换器 延长便携应用电池寿命

日前,德州仪器(TI)宣布推出一款支持3.1V至17V输入电压的1.5A DC/DC降压转换器——TPS62110。带有集成FET的TI新型TPS62110采用4×4mm的QFN无引线封装。该器件充分利用了

TI新款DC/DC转换器可延长便携式应用的电池寿命

德州仪器(ti)宣布推出一款支持3.1v至17v输入电压的1.5adc/dc降压转换器――tps62110。带有集成fet的ti新型tps62110采用4×4mm的qfn无引线封装。该器件充分利用了ti最新lbc7模拟工艺制造技术

Q1

【用 途】 一般型贴片管【性能 参数】硅 NPN Rb=Rbe=470kΩ 20V 0.03A【互换 兼容】FMQ1

三款最新电源管理芯片(TI

日前,德州仪器 (TI) 宣布推出高功率 DC/DC 升压 LED 驱动器 (TPS61500) 、高压DC/DC 升压转换器 (TPS61175),及降压 DC/DC 转换器 (TPS62110) 三款新型电源管理芯片

TI新一代LED驱动器

tlc6c598-q1 与 tlc6c5912-q1 特性与优势: 最高额定电压:tlc6c598-q1 与 tlc6c5912-q1 可在所有输出上实现高达 40v 的最高额定电压。有助于 tlc6c598-q1 为多达 8 串 led 供电,tlc6c5912-q1 为多达 12 串 led 供电,这些 led 串直接与汽车电池相连; 热关断保护:tlc6c598-q1 与 tlc6c591

cd4013产生的方波发生器电路 - 信号处理电子电路图

接通电源,S1=1,使Q1=1,Q1=0,Q1通过R2向C2充电。当R1=1时,FF1复位,Q1=0,Q1=1,C2通过二极管VD2向Q1放电,同时1通过R1向C1充电。当充到CP1为1时,FF1翻转,使Q1=1,Q1=0,C1通过二极管VD1向1放电,Q1通过R2又向C2充电。周而复始产生振荡。

TPS43332-Q1

【用 途】 电源控制电路【性能 参数】  采用HTSSOP-38(DAP)封装,降压输出范围0.9V至11V,可选择升压输出:7V/10V/11V,可编程频率和外部同步范围150kHz至600kHz,分开的启动输入(ENA,ENB),低关断电流Ish 引脚排列图:【互换 兼容】

LM2904-Q1

【用 途】 【性能 参数】【互换 兼容】

TPIC74100-Q1

PIC74100-Q1是一款降压-升压开关模式调节器。其规定的工作温度范围为-40℃~+125℃。   同时又是一款符合汽车电子标准的DC/DC电源管理IC。

相关型号:

TCH20A20 TCH30A15 TCH20A15 TCH10A15 TCH20A10
TCH10A10 TCH30A06 TCH20A20-11A TCH30A15-11A TCH20A15-11A
TCH10A15-11A TCH20A10-11A TCH10A10-11A TCH30A06-11A TCQ30A06
TCQ30A04 TCQ20A04 TCQ10A04 TCQ20A03L TCQ30A06-11A
按首字母检索