华强商城 被动器件(电容/电阻/电感) BOM配单 原厂专区 PCB制板 积分兑换
0
首页>IC索引

TPS62134A

适用于 Intel SkyLake 平台且具有低功耗模式输入的 17V 输入降压转换器

TPS62134A产品信息:

TPS62134x 系列器件是一款易于使用的同步降压 DC-DC 转换器,可兼容 Intel Skylake 平台应用,诸如 超级本 和笔记本电脑。 高性能 DCS-Control 架构可提供快速瞬态响应以及高精度输出电压。

借助其 3 至 17V 宽运行输入电压范围,此器件非常适用于由锂离子电池或者其它电池以及由 12V 中间电源轨供电的系统。 器件具有低功耗模式,在该模式下器件可通过LPM引脚降低输出电压。 此外,器件还可通过 VIDx 引脚支持输出电压的动态变化。LPM和 VIDx 引脚可帮助系统在不同工作模式下最大限度地降低功耗。

输出电压启动斜坡由 SS 引脚控制。 电源排序可通过使能 (EN) 引脚和电源正常 (PG) 引脚配置。 省电模式下,器件所示静态电流约为 20μA,该电流可在整个负载范围内保持高效率。 短路保护和热关断功能可保护集成电路 (IC) 和外部元件,使其不受输出接地短路时产生的强大电流的影响。 该器件采用 3mm × 3mm 16 引脚超薄四方扁平无引线封装 (VQFN) 封装,且带有散热焊盘。

TPS62134A数据手册:

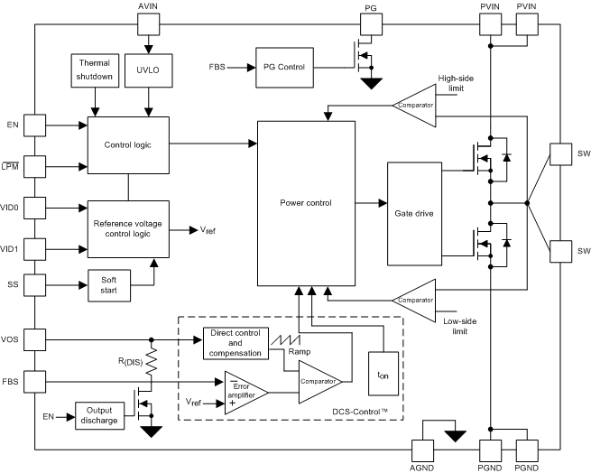
TPS62134A引脚功能、电路图:

相关型号:

TCH20A20 TCH30A15 TCH20A15 TCH10A15 TCH20A10
TCH10A10 TCH30A06 TCH20A20-11A TCH30A15-11A TCH20A15-11A
TCH10A15-11A TCH20A10-11A TCH10A10-11A TCH30A06-11A TCQ30A06
TCQ30A04 TCQ20A04 TCQ10A04 TCQ20A03L TCQ30A06-11A
按首字母检索