华强商城 被动器件(电容/电阻/电感) BOM配单 原厂专区 PCB制板 积分兑换
0
首页>IC索引

TPS62180

4-V到15-V, 6-A同步降压转换器,功率好,1%精度,可调软启动

TPS62180产品信息:

TPS6218x 是一款适用于薄型电源轨的双相降压 DC-DC 转换器。它采用峰值电流控制且两相电流平衡, 适合高度受限的应用。

该器件具有 4V 到 15V 的宽工作输入电压范围,非常适合通过多节锂离子电池或 12V 电源轨供电运行的系统。两相可持续提供 6A 输出电流(每相 3A),从而允许使用薄型外部元件。两相异相运行,这样可显著减小开关噪声。

TPS6218x 可在超轻负载时自动进入节能模式以保持高效率,并且还集成有自动效率提高功能 ( AEE ),适用于整个占空比范围。

该器件支持 电源正常信号和可调软启动。其静态电流典型值为 28µA,并且能够在 100% 模式下运行,即便在最低输出电压下也不存在占空比限制。

TPS6218x 提供了可调节输出电压和固定输出电压两种选项,并且采用 24 凸点、0.5mm 间距的小型 DSBGA 封装。

TPS62180数据手册:

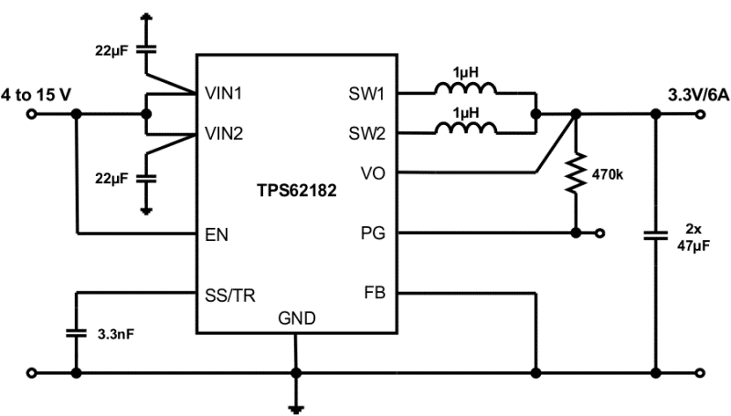
TPS62180引脚功能、电路图:

相关型号:

TCH20A20 TCH30A15 TCH20A15 TCH10A15 TCH20A10
TCH10A10 TCH30A06 TCH20A20-11A TCH30A15-11A TCH20A15-11A
TCH10A15-11A TCH20A10-11A TCH10A10-11A TCH30A06-11A TCQ30A06
TCQ30A04 TCQ20A04 TCQ10A04 TCQ20A03L TCQ30A06-11A
按首字母检索