华强商城 被动器件(电容/电阻/电感) BOM配单 原厂专区 PCB制板 积分兑换
0
首页>IC索引

TPS62240

采用 2x2mm SON/TSOT23 封装的 2.25MHz 300mA 降压转换器

TPS62240产品信息:

TPS6224x器件是一种高效的同步降压DC-DC变换器。该设备从单个锂离子电池提供高达300毫安的输出电流,是理想的电池供电的便携式应用程序,如手机和其他便携式设备。

2v ~ 6v输入电压范围宽,支持二芯、三芯碱性、3.3 V、5v输入电压轨。

TPS6224x在2.25 mhz固定开关频率下工作,并在轻负载电流下进入省电模式,以在重新负载电流范围内保持高效率。

省电模式适用于低输出电压纹波。对于低噪声的应用,设备可以通过高拉mode引脚强制进入固定频率的脉宽调制(PWM)模式。在shutdown模式下,当前的消耗将减少到小于1个µA。TPS6224x允许使用小电感和电容来实现小尺寸的解决方案。

TPS6224x工作在自由空气温度范围-40°C至85°C。该器件采用5引脚SOT和6引脚2mm × 2mm WSON封装。

TPS62240数据手册:

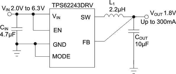
TPS62240引脚功能、电路图:

锂电池充放电数字时钟电路原理图+源代码等

锂电池充放电数字时钟具体描述: 电源采用3.7V锂电池,430和1.3寸OLED供电采用TI的TPS62240,电压1.8V就可以工作,430下载程序

相关型号:

TCH20A20 TCH30A15 TCH20A15 TCH10A15 TCH20A10
TCH10A10 TCH30A06 TCH20A20-11A TCH30A15-11A TCH20A15-11A
TCH10A15-11A TCH20A10-11A TCH10A10-11A TCH30A06-11A TCQ30A06
TCQ30A04 TCQ20A04 TCQ10A04 TCQ20A03L TCQ30A06-11A
按首字母检索