华强商城 被动器件(电容/电阻/电感) BOM配单 原厂专区 PCB制板 积分兑换
0
首页>IC索引

TPS65011

采用 QFN-48 封装的多通道 1 节锂离子电池 PMIC:USB/AC 充电器、2 个 DC/DC、2 个 LDO 以及 I2C 接口

TPS65011产品信息:

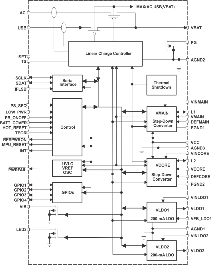
TPS65011器件是一种集成电源和电池管理IC,用于由一个锂离子或锂聚合物电池供电的应用程序,需要多个电源轨道。TPS65011提供了两个高效的1.25 mhz降压转换器,用于在基于处理器的系统中提供核心电压和外设I/O轨道。两个降压转换器进入低功率模式,在轻负载的最大可能范围负载电流的最大效率。

TPS65011还集成了两个200 ma LDO稳压器,通过串行接口使能。每个LDO的输入电压范围在1.8 V到6.5 V之间,允许它们从一个降压转换器或直接从电池提供电源。

TPS65011还具有高度集成和灵活的锂离子线性充电器和系统电源管理。它提供集成usb端口和交流适配器电源管理与自主电源选择,功率FET和电流传感器,高精度电流和电压调节,充电状态和充电终端。

TPS65011数据手册:

TPS65011引脚功能、电路图:

相关型号:

TCH20A20 TCH30A15 TCH20A15 TCH10A15 TCH20A10
TCH10A10 TCH30A06 TCH20A20-11A TCH30A15-11A TCH20A15-11A
TCH10A15-11A TCH20A10-11A TCH10A10-11A TCH30A06-11A TCQ30A06
TCQ30A04 TCQ20A04 TCQ10A04 TCQ20A03L TCQ30A06-11A
按首字母检索