华强商城 被动器件(电容/电阻/电感) BOM配单 原厂专区 PCB制板 积分兑换
0
首页>IC索引

TPS65021

6 通道电源管理 IC (PMIC),具有 3 个直流/直流转换器、3 个 LDO、I2C 接口和动态电压调节功能

TPS65021产品信息:

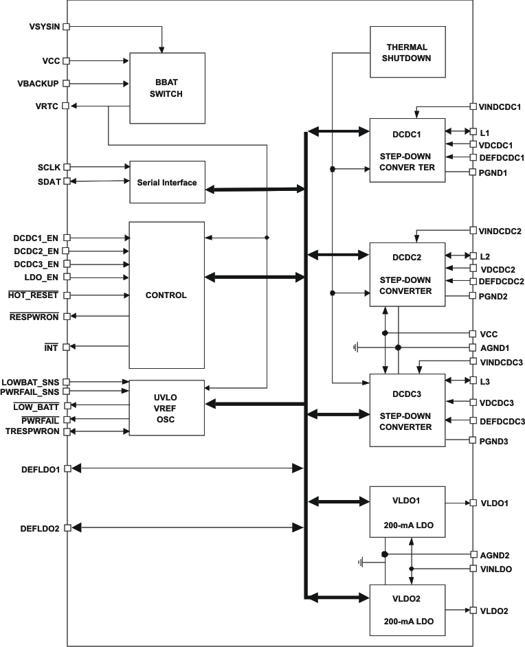
TPS65021器件是一种集成电源管理IC,用于由一个锂离子或锂聚合物电池供电的应用,需要多个电源轨道。TPS65021器件提供三种高效降压转换器,在基于处理器的系统中提供核心电压、外设、I/O和内存轨。所有三个降压转换器在轻负载时进入低功率模式,以在负载电流的最宽范围内获得最大效率。

TPS65021器件还集成了两个通用的200 ma LDO稳压器,可以使用外部输入引脚。每个LDO的输入电压范围为1.5 V至6.5 V,因此可以从一个降压转换器或直接从电池提供电源。ldo的默认输出电压可以数字设置为4个不同的电压组合,使用的是DEFLDO1和DEFLDO2引脚。串行接口可用于动态电压调整、屏蔽中断、禁用或启用和设置LDO输出电压。该接口兼容快速和标准模式I2C规范,允许传输高达400khz。TPS65021器件采用40针(RHA) VQFN封装,可在-40°C至+85°C的自由空气温度下工作。

TPS65021数据手册:

TPS65021引脚功能、电路图:

相关型号:

TCH20A20 TCH30A15 TCH20A15 TCH10A15 TCH20A10
TCH10A10 TCH30A06 TCH20A20-11A TCH30A15-11A TCH20A15-11A
TCH10A15-11A TCH20A10-11A TCH10A10-11A TCH30A06-11A TCQ30A06
TCQ30A04 TCQ20A04 TCQ10A04 TCQ20A03L TCQ30A06-11A
按首字母检索