华强商城 被动器件(电容/电阻/电感) BOM配单 原厂专区 PCB制板 积分兑换
0
首页>IC索引

TPS65072

适用于导航系统的单芯片电源管理 IC (PMIC)

TPS65072产品信息:

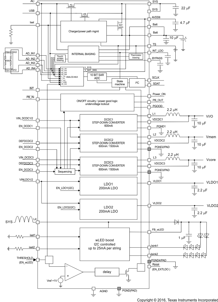
TPS6507x 系列器件属于单芯片电源管理 IC (PMIC),适用于 以下便携式应用: 包含用于单节锂离子电池或锂聚合物电池的具备电源路径管理的电池充电器。该充电器既可由 USB 引脚上的 USB 端口供电,也可由连接到 AC 引脚上的壁式适配器提供的直流电压供电。三个高效 2.25MHz 降压转换器用于为一个基于处理器的系统提供内核电压、存储器和 I/O 电压。为了在最大可能的负载电流范围内实现最大效率,这些降压转换器在轻负载时进入低功耗模式。

对于低噪声 应用 这些器件可通过 I(2)C 接口强制进入固定频率 PWM。这些降压转换器允许使用小型电感器和电容器,可实现较小的解决方案尺寸。TPS6507x 器件还集成了两个用于实现 200mA 输出电流的通用 LDO。这两个 LDO 不仅可为 SD 卡接口和 常开 电压轨供电,还可用于其他用途。每个 LDO 可在 1.8V 至 6.3V 输入电压范围内正常运行,这使得它们可以由其中一个降压转换器供电,也可以由主电池直接供电。具备两个可编程灌电流的感应升压转换器为两个白色 LED 灯串供电。

TPS6507x 器件采用间距为 0.4mm 的 48 引脚封装 (6mm × 6mm VQFN)。

TPS65072数据手册:

TPS65072引脚功能、电路图:

相关型号:

TCH20A20 TCH30A15 TCH20A15 TCH10A15 TCH20A10
TCH10A10 TCH30A06 TCH20A20-11A TCH30A15-11A TCH20A15-11A
TCH10A15-11A TCH20A10-11A TCH10A10-11A TCH30A06-11A TCQ30A06
TCQ30A04 TCQ20A04 TCQ10A04 TCQ20A03L TCQ30A06-11A
按首字母检索