华强商城 被动器件(电容/电阻/电感) BOM配单 原厂专区 PCB制板 积分兑换
0
首页>IC索引

TPS6508700

适用于 AMD 系列 17h 模型 10h-1Fh 处理器的 PMIC

TPS6508700产品信息:

TPS6508700 器件是一款单芯片电源管理 IC (PMIC),专为笔记本电脑和一体式台式机的 AMD 系列 17h 型 10h-1Fh 处理器而设计。TPS6508700 器件可提供 5.6V 至 21V 的输入电压范围,用途 广泛。该器件非常适合使用 2S、3S 或 4S 锂离子电池组的 NVDC 和非 NVDC 电源架构。该 D-CAP2 和 DCS-Control 高频稳压器采用小型电感和电容,以减小解决方案体积。D-CAP2 和 DCS-Control 拓扑具有出色的瞬态响应性能,特别适用于具有快速负载开关的处理器内核和系统内存电压轨。I(2)C 接口可通过嵌入式控制器 (EC) 或片上系统 (SoC) 进行轻松控制。PMIC 采用带散热焊盘的 8mm × 8mm 单行 VQFN 封装,因此散热性能良好,电路板布线简单。

TPS6508700数据手册:

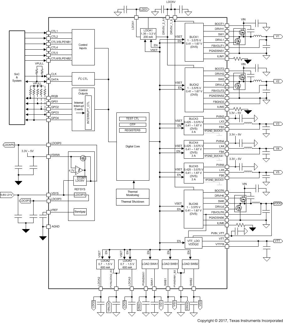
TPS6508700引脚功能、电路图:

相关型号:

TCH20A20 TCH30A15 TCH20A15 TCH10A15 TCH20A10
TCH10A10 TCH30A06 TCH20A20-11A TCH30A15-11A TCH20A15-11A
TCH10A15-11A TCH20A10-11A TCH10A10-11A TCH30A06-11A TCQ30A06
TCQ30A04 TCQ20A04 TCQ10A04 TCQ20A03L TCQ30A06-11A
按首字母检索