华强商城 被动器件(电容/电阻/电感) BOM配单 原厂专区 PCB制板 积分兑换
0
首页>IC索引

TPS65090

6V 至 7V 电源管理 IC (PMIC),具有开关模式充电器、3 个直流/直流转换器、2 个 LDO 和 7 个负载开关

TPS65090产品信息:

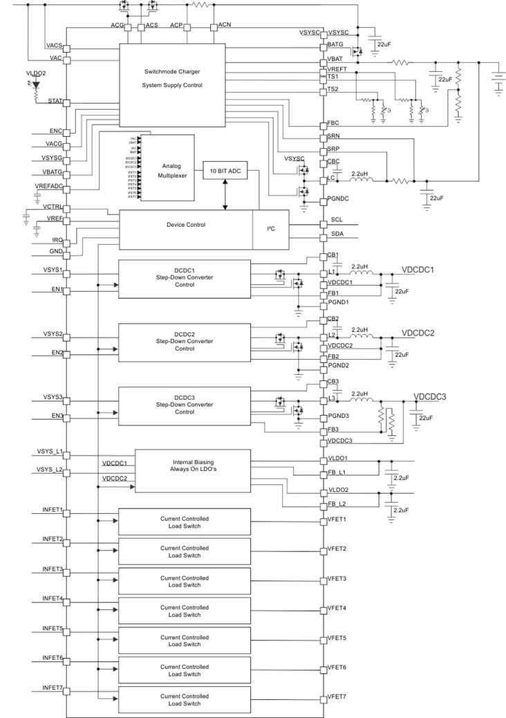
TPS65090A是一款用于便携式应用的单芯片电源管理集成电路 (IC),此器件包含一个支持双重或三重锂离子或锂聚合物电池组电源路径管理的电池充电器。 此充电器可直接连接至一个外部墙上适配器。 三个高效降压转换器专门用来提供一个固定 5V 系统电压、一个固定 3.3V 系统电压和一个可调电压轨。 为了在最大可能的负载电流范围内实现最大效率,这些降压转换器在轻负载时进入低功率模式。 这些降压转换器允许使用小型电感器和电容器以实现一个小型解决方案尺寸。 TPS65090A还集成了两个通用常开 LDO,这两个 LDO 在关断时为控制系统的电路区块供电。 每个 LDO 的运行输入电压范围介于 6V 和 17V 之间,从而使得它们能够由墙上适配器或直接由主电池组供电。

此器件还内置了 7 个负载开关。 它们可被用来针对应用电路中的特定电路区块来对电源进行单独控制。 流经负载开关的电流,以及降压转换器的输出电流,来自交流适配器的输入电流和充电电流受到监控并可使用数字接口读出。

TPS65090数据手册:

TPS65090引脚功能、电路图:

德州仪器电源管理前端芯片可在基于 ARM? Cortex A15 的设计中延长电池工作时间

TPS65090 电源管理集成电路高度集成所有电源管理功能,可最大限度提高电源效率,与分立式解决方案相比,其不仅将平板电脑及其它便携式电子产品的电池工作时间延长 20%,简化设计,而且将板级空间锐减

TI电源管理前端芯片

tps65090 主要特性与优势: •电池工作时间延长 20%:整个 8v 至 12v 输出电压下高达 95% 的效率可充分满足 2 至 3 节串联电池的需求; •高度集成的最小型解决方案尺寸

TI推出电源管理前端芯片 可延长基于ARM Cortex A15的设计电池工作时间

TPS65090 电源管理集成电路高度集成所有电源管理功能,可最大限度提高电源效率,与分立式解决方案相比,其不仅将平板电脑及其它便携式电子产品的电池工

相关型号:

TCH20A20 TCH30A15 TCH20A15 TCH10A15 TCH20A10
TCH10A10 TCH30A06 TCH20A20-11A TCH30A15-11A TCH20A15-11A
TCH10A15-11A TCH20A10-11A TCH10A10-11A TCH30A06-11A TCQ30A06
TCQ30A04 TCQ20A04 TCQ10A04 TCQ20A03L TCQ30A06-11A
按首字母检索