华强商城 被动器件(电容/电阻/电感) BOM配单 原厂专区 PCB制板 积分兑换
0
首页>IC索引

TPS65094

适用于 Apollo Lake 处理器的可编程中等输入电压范围电源管理 IC (PMIC)

TPS65094产品信息:

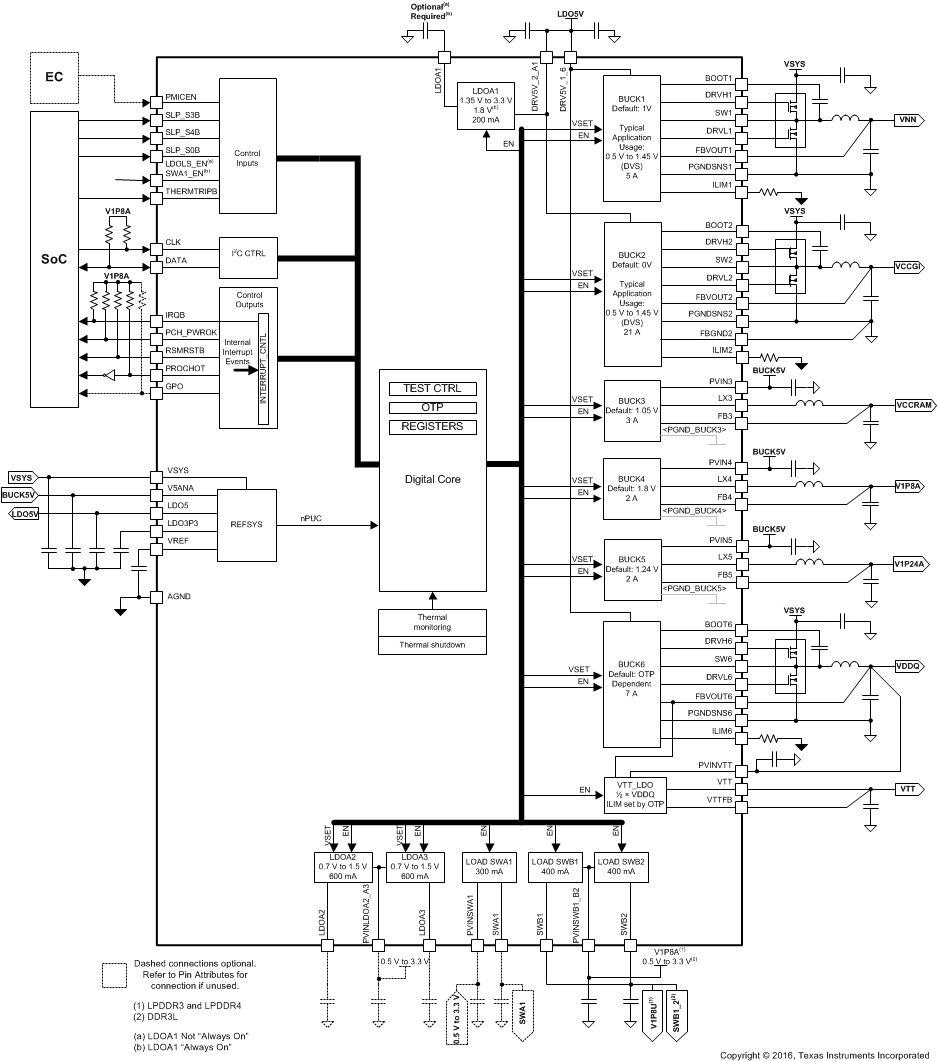
TPS65094 器件是一款单芯片解决方案电源管理集成芯片 (PMIC),专为最新的 Intel 处理器进行设计,这些处理器以通过 2 节、3 节或 4 节锂离子电池组(NVDC 或非 NVDC 电源架构)供电的平板电脑、超极本、笔记本、工业计算机和物联网 (IOT) 应用 以及壁式供电的 应用为目标。

TPS65094 器件用于合并低电压轨的必需系统,以获得最小的尺寸和成本最低的系统电源解决方案。TPS65094 器件可提供基于 Intel 参考设计的完整电源解决方案。由上电序列逻辑控制六个高效降压稳压器 (VR)、一个灌/拉 LDO (VTT)、以及一个负载开关,以提供正确的电源轨、定序和保护 — 包括 DDR3 和 DDR4 存储器电源。两个稳压器(BUCK1 和 BUCK2)支持动态电压调节 (DVS),可最大限度地提高效率(包括支持联网待机功能)。高频 VR 采用小型电感和电容来减小解决方案体积。凭借 I(2)C 接口,可通过嵌入式控制器 (EC) 或片上系统 (SoC) 轻松实现控制功能。

PMIC 采用带散热焊盘的 8mm × 8mm 单行 VQFN 封装,因此散热性能良好,电路板布线简单。

TPS65094数据手册:

TPS65094引脚功能、电路图:

相关型号:

TCH20A20 TCH30A15 TCH20A15 TCH10A15 TCH20A10
TCH10A10 TCH30A06 TCH20A20-11A TCH30A15-11A TCH20A15-11A
TCH10A15-11A TCH20A10-11A TCH10A10-11A TCH30A06-11A TCQ30A06
TCQ30A04 TCQ20A04 TCQ10A04 TCQ20A03L TCQ30A06-11A
按首字母检索