华强商城 被动器件(电容/电阻/电感) BOM配单 原厂专区 PCB制板 积分兑换
0
首页>IC索引

TPS65131-Q1

具有双路正负输出(750mA 典型值)的汽车类双电源转换器

TPS65131-Q1产品信息:

TPS65131-Q1 器件作为双输出直流/直流转换器,可产生高达 15V 的正输出电压和低至 -15V 的负输出电压,输出电流通常为 200mA,具体值取决于输入电压与输出电压比。凭借高达 85% 的总体效率,此器件非常适合于便携式电池供电类设备。输入电压范围为 2.7V 至 5.5V,因此允许诸如 3.3V 和 5V 的电压轨为 TPS65131-Q1 器件供电。TPS65131-Q1 器件采用带有散热垫的 QFN-24 封装。由于只需少量较小的外部组件,因此总体解决方案尺寸可以非常小。

此转换器采用定频 PWM 控制拓扑运行,而且在启用省电模式后,它在轻负载电流的情况下使用脉冲跳跃模式。在运行时,典型的总体器件静态电流只有 500µA。在关断状态下,器件一般消耗 0.2µA。独立使能引脚可实现针对两个输出的加电和断电排序。为了尽可能地实现故障情况下的高可靠性,此器件有一个内部电流限制、过压保护和热关断。

根据 AEC-Q100 温度 2 级要求,TPS65131-Q1 器件符合汽车 应用的要求。该器件在 -40°C 至 125°C 的器件结温范围内接受了电气特性测试。该器件还具有最低关断电流、小巧的解决方案尺寸、带散热垫的封装以及良好的效率和保护 特性,适合汽车和工业 应用。

TPS65131-Q1数据手册:

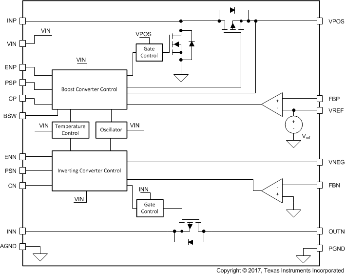
TPS65131-Q1引脚功能、电路图:

Q1

【用 途】 一般型贴片管【性能 参数】硅 NPN Rb=Rbe=470kΩ 20V 0.03A【互换 兼容】FMQ1

TI新一代LED驱动器

tlc6c598-q1 与 tlc6c5912-q1 特性与优势: 最高额定电压:tlc6c598-q1 与 tlc6c5912-q1 可在所有输出上实现高达 40v 的最高额定电压。有助于 tlc6c598-q1 为多达 8 串 led 供电,tlc6c5912-q1 为多达 12 串 led 供电,这些 led 串直接与汽车电池相连; 热关断保护:tlc6c598-q1 与 tlc6c591

cd4013产生的方波发生器电路 - 信号处理电子电路图

接通电源,S1=1,使Q1=1,Q1=0,Q1通过R2向C2充电。当R1=1时,FF1复位,Q1=0,Q1=1,C2通过二极管VD2向Q1放电,同时1通过R1向C1充电。当充到CP1为1时,FF1翻转,使Q1=1,Q1=0,C1通过二极管VD1向1放电,Q1通过R2又向C2充电。周而复始产生振荡。

TPS43332-Q1

【用 途】 电源控制电路【性能 参数】  采用HTSSOP-38(DAP)封装,降压输出范围0.9V至11V,可选择升压输出:7V/10V/11V,可编程频率和外部同步范围150kHz至600kHz,分开的启动输入(ENA,ENB),低关断电流Ish 引脚排列图:【互换 兼容】

LM2904-Q1

【用 途】 【性能 参数】【互换 兼容】

TPIC74100-Q1

PIC74100-Q1是一款降压-升压开关模式调节器。其规定的工作温度范围为-40℃~+125℃。   同时又是一款符合汽车电子标准的DC/DC电源管理IC。

TWL1103T-Q1

【用 途】 【性能 参数】【互换 兼容】

TPIC71004-Q1

主要特性与优势 • 安全性设计:tpic71004-q1 是一款四通道爆管驱动器。每通道包含提供独立控制逻辑的高侧与低侧开关,可为不慎气囊部署;; 深圳市洛克里奇科技有限公司;;

TPS43330-Q1

【用 途】 DC/DC控制器【性能 参数】  采用HTSSOP-38(DAP)封装,降压输出范围0.9V至11V,可选择升压输出:7V/10V/11V,可编程频率和外部同步范围150kHz至600kHz,分开的启动输入(ENA,ENB),低关断电流Ish 引脚排列图:【互换 兼

LM2903-Q1

【用 途】 【性能 参数】【互换 兼容】

相关型号:

TCH20A20 TCH30A15 TCH20A15 TCH10A15 TCH20A10
TCH10A10 TCH30A06 TCH20A20-11A TCH30A15-11A TCH20A15-11A
TCH10A15-11A TCH20A10-11A TCH10A10-11A TCH30A06-11A TCQ30A06
TCQ30A04 TCQ20A04 TCQ10A04 TCQ20A03L TCQ30A06-11A
按首字母检索