华强商城 被动器件(电容/电阻/电感) BOM配单 原厂专区 PCB制板 积分兑换
0
首页>IC索引

TPS65137

具有数字负电源电压调节的双路正负输出

TPS65137产品信息:

TPS65137是专为AMOLED显示器(Ac ve Matrix Organic Light Emit ng Diode)提供最好的类图像质量,需要正和负电压电源轨道。由于其广泛的输入电压范围,该设备非常适合用于移动电话和智能手机的AMOLED显示器。该装置可以使输入电压高于正输出电压,并保持V(POS)的精确调节。使用数字控制引脚(CTRL)允许调整负输出电压在数字步骤。TPS65137采用了一种新的技术,通过为V(POS)使用LDO post regulator,实现了具有最小输出电压纹波的优秀线路和负载调节。这是为了避免在手机传输期间发生输入电压瞬变而干扰AMOLED显示屏。

TPS65137数据手册:

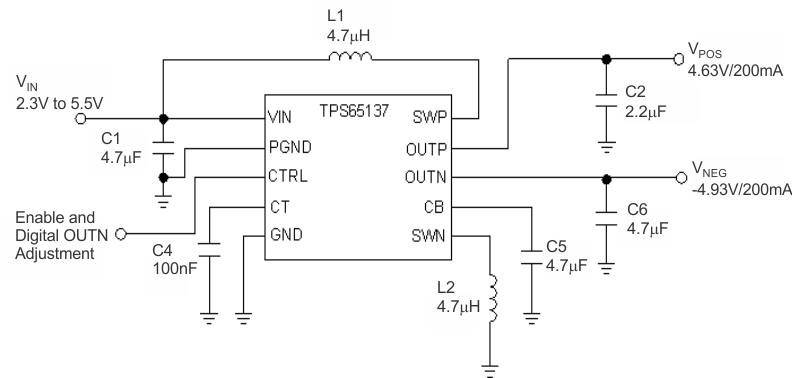
TPS65137引脚功能、电路图:

TI TPS65137

ti 公司的tps65137 是有源矩阵 oled (图1。tps65137功能方框图图2。tps65137典型应用电路图

TPS65137

【用 途】 双通道输出电源电路【性能 参数】  采用3毫米x3毫米、10引脚QFN封装,输入电压2.3V至5.5V。 主要特性: 2.3V至5.5V之间的宽泛输入电压使器件能够接受比正输出电压更高的正输入电压,同时还可保持正输出电压1%的稳压精度误差;&nb

双通道电源开发取得突破 AMOLED画质有望显著提高

TPS65137采用低压降(LDO)后置稳压器,可为实现稳定的画质提供具有最小输出电压纹波的线路与负载瞬态响应。TPS65137具有2.3V至5.5V宽泛输入电压以及较少的外部组件,并采用3毫米 x 3毫米QFN小型解决方案封装,是手机与智能电话等便携式设备 AMOLED显示屏的理想选择。立即申请TPS65137的样片:www.ti.com.cn

发布全新200mA双通道输出电源TPS65137

TPS65137采用低压降(LDO)后置稳压器,可为实现稳定的画质提供具有最小输出电压纹波的线路与负载瞬态响应。TPS65137具有2.3V至5.5V宽泛输入电压以及较少的外部组件,并采用3毫米x3毫米QFN小型解决方案封装,是手机与智能电话等便携式设备AMOLED显示屏的理想选择。  TPS65137的主要特性与优势  2.3V

德州仪器推出双通道输出电源提高AMOLED显示屏画质

TPS65137采用低压降(LDO)后置稳压器,可为实现稳定的画质提供具有最小输出电压纹波的线路与负载瞬态响应。TPS65137具有2.3V至5.5V宽泛输入电压以及较少的外部组件,并采用3毫米x3毫米QFN小型解决方案封装,是手机与智能电话等便携式设备AMOLED显示屏的理想选择。TPS65137的主要特性与优势•2.3V至5.5V之

德州仪器全新双通道输出 200 mA 电源 可显著提高 AMOLED 显示屏画质

tps65137-prcn">TPS65137 采用低压降(LDO) 后置稳压器,可为实现稳定的画质提供具有最小输出电压纹波的线路与负载瞬态响应。AMOLE

德州仪器全新双通道输出 200 mA 电源可显著提高 AMOLED 显示屏画质

TPS65137 采用低压降 (LDO) 后置稳压器,可为实现稳定的画质提供具有最小输出电压纹波的线路与负载瞬态响应。TPS65137 具有 2.3 V 至 5.5 V 宽泛输入电压以及较少的外部组件,并采用 3

TI全新双通道输出 200 mA 电源IC TPS65137

TPS65137 采用低压降 (LDO) 后置稳压器,可为实现稳定的画质提供具有最小输出电压纹波的线路与负载瞬态响应。TPS65137 具有 2.3 V 至 5.5 V 宽泛输入电压以及较少的外部组件,并采用 3 毫米 x 3 毫米 QFN 小型解

双通道输出200mA电源提高AMOLED显示屏画质

TPS65137采用低压降(LDO)后置稳压器,可为实现稳定的画质提供具有最小输出电压纹波的线路与负载瞬态响应。TPS65137具有2.3V至5.5V宽泛输入电压以及较少的外部组件,并采用3毫米x3毫米QFN小型解决方案封装,是手机与智能电话等便携式设备AMOLED显示屏的理想选择。TPS65137的主要特性与优势·2.3V至5.5V之间的宽

T:TPS65137

tps65137 采用低压降 (ldo) 后置稳压器,可为实现稳定的画质提供具有最小输出电压纹波的线路与负载瞬态响应。tps65137 具有 2.3 v 至 5.5 v 宽泛输入电压以及较少的外部组件,并采用 3 毫米 x 3 毫米 qfn 小型解

相关型号:

TCH20A20 TCH30A15 TCH20A15 TCH10A15 TCH20A10
TCH10A10 TCH30A06 TCH20A20-11A TCH30A15-11A TCH20A15-11A
TCH10A15-11A TCH20A10-11A TCH10A10-11A TCH30A06-11A TCQ30A06
TCQ30A04 TCQ20A04 TCQ10A04 TCQ20A03L TCQ30A06-11A
按首字母检索