华强商城 被动器件(电容/电阻/电感) BOM配单 原厂专区 PCB制板 积分兑换
0
首页>IC索引

TPS65162

4 通道 LCD 偏置,具有输入到输出集成隔离开关、2 个运算放大器和 GPM

TPS65162产品信息:

TPS65162是一款紧凑的LCD偏置IC,具有两个高速运算放大器,用于V(com)电源。该设备的高电流能力是大液晶显示器和液晶电视应用的理想选择。

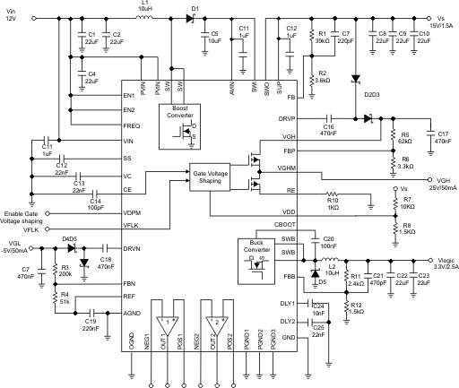
TPS65162为TFT LCD (Vs, Vlogic, VGH和VGL)产生所有四个电压轨,并包括两个运放产生VCOM供电轨。该装置集成了一个输入输出隔离开关,为升压转换器提供短路保护。在输入-输出隔离on开关中实现了电流限制功能on,以允许启动期间的软开启。该器件还具有栅极电压整形,以改善TFT-LCD图像质量。该器件由一个提供源电压v的升压转换器和一个提供系统逻辑电压的降压转换器组成。正负电荷泵驱动提供可调节的输出电压VGH和VGL以偏压TFT。升压和降压转换器,以及电荷泵驱动器,操作固定的开关频率为500khz或750khz,可由FREQ引脚选择。该装置包括可调的开机顺序。该设备具有升压变换器过压保护、v、Vlogic、VGH短路保护、热停机等安全特性。

TPS65162数据手册:

TPS65162引脚功能、电路图:

长虹LT42700液晶彩电黑屏,有声音无图像

逐一检查,发现U7供电脚阻值很低,因手中无TPS65162集成块;只有更换6870C-0150B,但更换新的逻辑板后试机.故障依旧。再次测U7供电只有

相关型号:

TCH20A20 TCH30A15 TCH20A15 TCH10A15 TCH20A10
TCH10A10 TCH30A06 TCH20A20-11A TCH30A15-11A TCH20A15-11A
TCH10A15-11A TCH20A10-11A TCH10A10-11A TCH30A06-11A TCQ30A06
TCQ30A04 TCQ20A04 TCQ10A04 TCQ20A03L TCQ30A06-11A
按首字母检索