华强商城 被动器件(电容/电阻/电感) BOM配单 原厂专区 PCB制板 积分兑换
0
首页>IC索引

TPS65180B

用于 E Ink Vizplex 电子纸显示的 PMIC

TPS65180B产品信息:

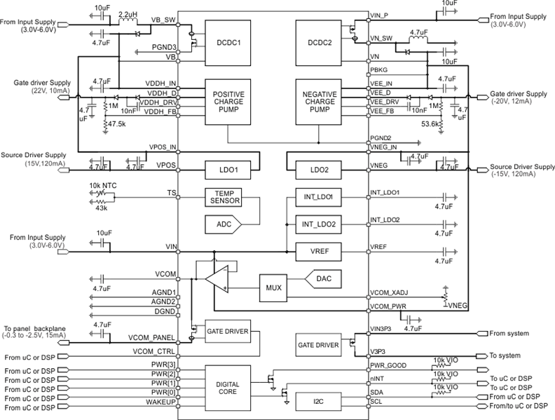
TPS6518x和TPS65181xB系列设备是专为便携式电子阅读器应用中的E Ink Vizplex显示器设计的单芯片电源,支持面板尺寸高达9.7英寸。两个高效率的DC-DC升压转换器产生±17v的导轨,通过两个转换泵升压到22v和- 20v,为Vizplex面板提供栅极驱动电源。两个跟踪ldo创建±15v源驱动器电源,支持高达120ma的输出电流。所有的滑道都可通过I(2)C接口调节,以适应特定的面板要求。

精确的背板偏置由线性放大器提供,可以通过外部电阻或I(2)C接口进行调整。VCOM驱动程序可以根据面板的条件来获取或吸收电流。对于在线生产中的自动VCOM调整,VCOM可以通过8位控制串口从-0.3 V到-2.5 V进行设置。电源开关集成,从E Ink 面板隔离VCOM驱动程序。

TPS6518x和TPS65181xB器件提供精确的温度测量功能,在运行期间监控面板温度。TPS65180和TPS65180B要求主机处理器通过I(2)C写入触发温度采集,而TPS65181和TPS65181B则每60秒自动更新一次温度。

TPS65180B数据手册:

TPS65180B引脚功能、电路图:

相关型号:

TCH20A20 TCH30A15 TCH20A15 TCH10A15 TCH20A10
TCH10A10 TCH30A06 TCH20A20-11A TCH30A15-11A TCH20A15-11A
TCH10A15-11A TCH20A10-11A TCH10A10-11A TCH30A06-11A TCQ30A06
TCQ30A04 TCQ20A04 TCQ10A04 TCQ20A03L TCQ30A06-11A
按首字母检索