华强商城 被动器件(电容/电阻/电感) BOM配单 原厂专区 PCB制板 积分兑换
0
首页>IC索引

TPS65182B

PMIC,用于启用 E Ink Vizplex 技术的电子纸显示器

TPS65182B产品信息:

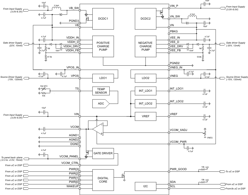
TPS65182x是一款单芯片电源,专为便携式电子阅读器应用中的E Ink Vizplex显示器设计,支持9.7英寸的面板尺寸。两个高效率的DC/DC升压转换器产生±17v的导轨,通过两个转换泵升压到22v和- 20v,为Vizplex面板提供栅极驱动电源。

两个跟踪ldo创建±15v源驱动器电源,支持高达120ma的输出电流。所有的滑道都可通过I(2)C接口调节,以适应特定的面板要求。

精确的背板偏置由线性放大器提供,可以通过外部电阻或I(2)C接口进行调整。VCOM驱动程序可以根据面板的条件来获取或吸收电流。

TPS65182x提供精确的温度测量功能,在操作期间监控面板温度。温度读数每60秒更新一次,可以通过I(2)C接口访问。

TPS65182B数据手册:

TPS65182B引脚功能、电路图:

相关型号:

TCH20A20 TCH30A15 TCH20A15 TCH10A15 TCH20A10
TCH10A10 TCH30A06 TCH20A20-11A TCH30A15-11A TCH20A15-11A
TCH10A15-11A TCH20A10-11A TCH10A10-11A TCH30A06-11A TCQ30A06
TCQ30A04 TCQ20A04 TCQ10A04 TCQ20A03L TCQ30A06-11A
按首字母检索