华强商城 被动器件(电容/电阻/电感) BOM配单 原厂专区 PCB制板 积分兑换
0
首页>IC索引

TPS65216

适用于 ARM Cortex -A8/A9 SOC 和 FPGA 的集成电源管理 IC (PMIC)

TPS65216产品信息:

TPS65216 是一款单片电源管理 IC (PMIC),专为支持线路供电 (5V) 应用中的 AMIC110 和 AMIC120 系列处理器 而设计。此器件的额定工作温度范围为 -40°C 至 +105°C,非常适合各种工业 系统的需求。

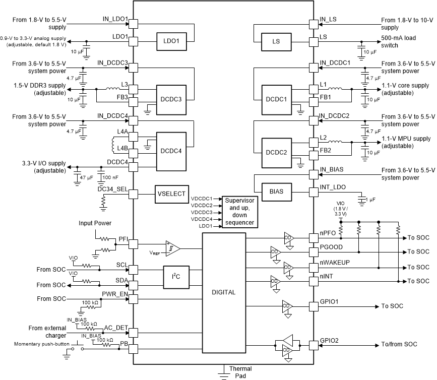
TPS65216 经过专门设计,以便为 AMIC110 和 AMIC120 处理器的所有功能提供电源管理。直流/直流转换器 DCDC1 至 DCDC4 分别专门为内核、MPU、DDR 内存以及 3.3V 模拟和 I/O 供电。LDO1 为处理器提供 1.8V 模拟电压和 I/O。GPIO2 可实现 DCDC1 和 DCDC2 转换器的热复位利用 I(2)C 接口,用户可以启用和禁用所有电压稳压器、负载开关 和 GPIO。此外,可以通过 I(2)C 对 UVLO 和监控器电压阈值、加电序列和断电序列进行编程。也可监控因过热、过流和欠压引起的中断。该监控器可监测 DCDC1 到 DCDC4 以及 LDO1。监控器具有两种设置,一种针对典型的欠压容差 (STRICT = 0b),一种针对很小的欠压和过压容差 (STRICT = 1b)。电源正常信号指示五个电压稳压器正常调节。

三个迟滞降压转换器专门用于为处理器内核、MPU 和 DDRx 内存供电。每个转换器的默认输出电压均可通过 I(2)C 接口来调节。DCDC1 和 DCDC2 采用动态电压调节,可在处理器的所有操作点供电。DCDC1 和 DCDC2 还具有可编程的压摆率,有助于保护处理器组件。DCDC3 在处理器处于休眠模式时仍然可得到供电,从而保持向 DDRx 内存供电。

TPS65216 器件采用 48 引脚 VQFN 封装(6mm × 6mm,0.4mm 间距)。

TPS65216数据手册:

TPS65216引脚功能、电路图:

相关型号:

TCH20A20 TCH30A15 TCH20A15 TCH10A15 TCH20A10
TCH10A10 TCH30A06 TCH20A20-11A TCH30A15-11A TCH20A15-11A
TCH10A15-11A TCH20A10-11A TCH10A10-11A TCH30A06-11A TCQ30A06
TCQ30A04 TCQ20A04 TCQ10A04 TCQ20A03L TCQ30A06-11A
按首字母检索