华强商城 被动器件(电容/电阻/电感) BOM配单 原厂专区 PCB制板 积分兑换
0
首页>IC索引

TPS6521855

电源管理IC (PMIC)为TI AM64x

TPS6521855产品信息:

TPS6521855是一款单芯片电源管理IC (PMIC),专门设计用于支持便携式(锂离子电池)和非便携式(5-V适配器)处理器AM64x线。该设备的特点是在-40°C到+105°C的温度范围内,使其适用于各种工业应用。

TPS6521855数据手册:

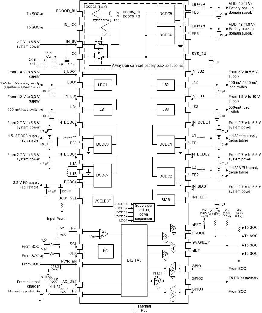
TPS6521855引脚功能、电路图:

相关型号:

TCH20A20 TCH30A15 TCH20A15 TCH10A15 TCH20A10
TCH10A10 TCH30A06 TCH20A20-11A TCH30A15-11A TCH20A15-11A
TCH10A15-11A TCH20A10-11A TCH10A10-11A TCH30A06-11A TCQ30A06
TCQ30A04 TCQ20A04 TCQ10A04 TCQ20A03L TCQ30A06-11A
按首字母检索