华强商城 被动器件(电容/电阻/电感) BOM配单 原厂专区 PCB制板 积分兑换
0
首页>IC索引

TPS65310A-Q1

适用于汽车安全应用的汽车类 4V 至 40V、5 稳压输出电源管理 IC

TPS65310A-Q1产品信息:

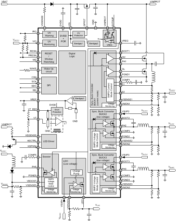
TPS65310A-Q1器件是一款电源管理单元,满足由数字信号处理器 (DSP) 控制的汽车系统(例如,高级驾驶员辅助系统)的要求。TPS65310A-Q1 器件集成有多种常用的 特性,极大地节省了电路板空间和系统成本。

此器件采用一个高压降压控制器进行预稳压,并结合使用两个降压转换器和一个升压转换器进行后稳压。进一步集成的低压降稳压器 (LDO) 整合了电源的概念,提供了一套带有五个独立电压轨的灵活系统设计。此器件提供一个低功率状态(所有电源轨关闭时的 LPM0)来在系统一直连接至电池线路时减少流耗。所有输出受过载和过热保护。

外部 PMOS 保护特性使器件能够承受高达 80V 的瞬态电压。此外部 PMOS 也可用于安全关键型 应用, 以在其中一条电压轨发生故障(欠压、过压或过流)时保护系统。

内部软启动可确保所有电源的启动都能够得到控制。每个电源的输出电压均可通过外部电阻网络设置进行调节。

TPS65310A-Q1数据手册:

TPS65310A-Q1引脚功能、电路图:

Q1

【用 途】 一般型贴片管【性能 参数】硅 NPN Rb=Rbe=470kΩ 20V 0.03A【互换 兼容】FMQ1

TI新一代LED驱动器

tlc6c598-q1 与 tlc6c5912-q1 特性与优势: 最高额定电压:tlc6c598-q1 与 tlc6c5912-q1 可在所有输出上实现高达 40v 的最高额定电压。有助于 tlc6c598-q1 为多达 8 串 led 供电,tlc6c5912-q1 为多达 12 串 led 供电,这些 led 串直接与汽车电池相连; 热关断保护:tlc6c598-q1 与 tlc6c591

cd4013产生的方波发生器电路 - 信号处理电子电路图

接通电源,S1=1,使Q1=1,Q1=0,Q1通过R2向C2充电。当R1=1时,FF1复位,Q1=0,Q1=1,C2通过二极管VD2向Q1放电,同时1通过R1向C1充电。当充到CP1为1时,FF1翻转,使Q1=1,Q1=0,C1通过二极管VD1向1放电,Q1通过R2又向C2充电。周而复始产生振荡。

TPS43332-Q1

【用 途】 电源控制电路【性能 参数】  采用HTSSOP-38(DAP)封装,降压输出范围0.9V至11V,可选择升压输出:7V/10V/11V,可编程频率和外部同步范围150kHz至600kHz,分开的启动输入(ENA,ENB),低关断电流Ish 引脚排列图:【互换 兼容】

LM2904-Q1

【用 途】 【性能 参数】【互换 兼容】

TPIC74100-Q1

PIC74100-Q1是一款降压-升压开关模式调节器。其规定的工作温度范围为-40℃~+125℃。   同时又是一款符合汽车电子标准的DC/DC电源管理IC。

TWL1103T-Q1

【用 途】 【性能 参数】【互换 兼容】

TPIC71004-Q1

主要特性与优势 • 安全性设计:tpic71004-q1 是一款四通道爆管驱动器。每通道包含提供独立控制逻辑的高侧与低侧开关,可为不慎气囊部署;; 深圳市洛克里奇科技有限公司;;

TPS43330-Q1

【用 途】 DC/DC控制器【性能 参数】  采用HTSSOP-38(DAP)封装,降压输出范围0.9V至11V,可选择升压输出:7V/10V/11V,可编程频率和外部同步范围150kHz至600kHz,分开的启动输入(ENA,ENB),低关断电流Ish 引脚排列图:【互换 兼

LM2903-Q1

【用 途】 【性能 参数】【互换 兼容】

相关型号:

TCH20A20 TCH30A15 TCH20A15 TCH10A15 TCH20A10
TCH10A10 TCH30A06 TCH20A20-11A TCH30A15-11A TCH20A15-11A
TCH10A15-11A TCH20A10-11A TCH10A10-11A TCH30A06-11A TCQ30A06
TCQ30A04 TCQ20A04 TCQ10A04 TCQ20A03L TCQ30A06-11A
按首字母检索