华强商城 被动器件(电容/电阻/电感) BOM配单 原厂专区 PCB制板 积分兑换
0
首页>IC索引

TPS65321A-Q1

采用宽输入电压范围、280mA LDO 稳压器的汽车类 3.6V 至 36V 3.2A 降压转换器

TPS65321A-Q1产品信息:

TPS65321A-Q1器件是一个高vin DC-DC降压转换器,称为降压调节器,具有可调节的开关模式频率从100 khz到2.5 mhz,以及一个高vin 280 ma低dropout (LDO)调节器。输入范围是3.6 V到36v的buck稳压器,和3v到
36 V用于LDO调节器。降压调节器有一个集成的高端MOSFET与交流低,开漏功率良好的输出引脚(nRST)。LDO稳压器的特点是低输入电源电流为45-µa,典型的空载,也有一个集成MOSFET。低压跟踪功能使TPS65321A-Q1能够在冷曲柄条件下跟踪输入电源。

降压调节器提供了一个灵活的设计,以适应系统的需要。电路上的外部环路补偿允许在适当的工作条件下对变换器的响应进行运算。低纹波脉冲跳变模式将空载输入电源电流降低到最大140µA。

该设备具有内置的保护功能,如软启动,电流限制,热传感和关机由于过度的功率耗散。此外,该设备有一个内部欠压锁定(UVLO)功能,当电源电压过低时关闭设备。

TPS65321A-Q1数据手册:

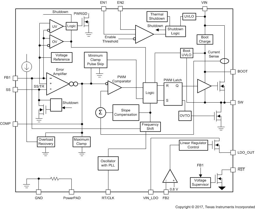
TPS65321A-Q1引脚功能、电路图:

Q1

【用 途】 一般型贴片管【性能 参数】硅 NPN Rb=Rbe=470kΩ 20V 0.03A【互换 兼容】FMQ1

TI新一代LED驱动器

tlc6c598-q1 与 tlc6c5912-q1 特性与优势: 最高额定电压:tlc6c598-q1 与 tlc6c5912-q1 可在所有输出上实现高达 40v 的最高额定电压。有助于 tlc6c598-q1 为多达 8 串 led 供电,tlc6c5912-q1 为多达 12 串 led 供电,这些 led 串直接与汽车电池相连; 热关断保护:tlc6c598-q1 与 tlc6c591

cd4013产生的方波发生器电路 - 信号处理电子电路图

接通电源,S1=1,使Q1=1,Q1=0,Q1通过R2向C2充电。当R1=1时,FF1复位,Q1=0,Q1=1,C2通过二极管VD2向Q1放电,同时1通过R1向C1充电。当充到CP1为1时,FF1翻转,使Q1=1,Q1=0,C1通过二极管VD1向1放电,Q1通过R2又向C2充电。周而复始产生振荡。

TPS43332-Q1

【用 途】 电源控制电路【性能 参数】  采用HTSSOP-38(DAP)封装,降压输出范围0.9V至11V,可选择升压输出:7V/10V/11V,可编程频率和外部同步范围150kHz至600kHz,分开的启动输入(ENA,ENB),低关断电流Ish 引脚排列图:【互换 兼容】

LM2904-Q1

【用 途】 【性能 参数】【互换 兼容】

TPIC74100-Q1

PIC74100-Q1是一款降压-升压开关模式调节器。其规定的工作温度范围为-40℃~+125℃。   同时又是一款符合汽车电子标准的DC/DC电源管理IC。

TWL1103T-Q1

【用 途】 【性能 参数】【互换 兼容】

TPIC71004-Q1

主要特性与优势 • 安全性设计:tpic71004-q1 是一款四通道爆管驱动器。每通道包含提供独立控制逻辑的高侧与低侧开关,可为不慎气囊部署;; 深圳市洛克里奇科技有限公司;;

TPS43330-Q1

【用 途】 DC/DC控制器【性能 参数】  采用HTSSOP-38(DAP)封装,降压输出范围0.9V至11V,可选择升压输出:7V/10V/11V,可编程频率和外部同步范围150kHz至600kHz,分开的启动输入(ENA,ENB),低关断电流Ish 引脚排列图:【互换 兼

LM2903-Q1

【用 途】 【性能 参数】【互换 兼容】

相关型号:

TCH20A20 TCH30A15 TCH20A15 TCH10A15 TCH20A10
TCH10A10 TCH30A06 TCH20A20-11A TCH30A15-11A TCH20A15-11A
TCH10A15-11A TCH20A10-11A TCH10A10-11A TCH30A06-11A TCQ30A06
TCQ30A04 TCQ20A04 TCQ10A04 TCQ20A03L TCQ30A06-11A
按首字母检索