华强商城 被动器件(电容/电阻/电感) BOM配单 原厂专区 PCB制板 积分兑换
0
首页>IC索引

TPS659119-Q1

具有 3 个降压转换器和 8 个 LDO 的汽车类 1.4V 至 5.5V 电源管理 IC

TPS659119-Q1产品信息:

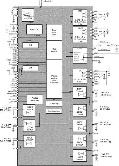
TPS659119-Q1 器件是一款集成型电源管理 IC,专用于所搭载应用处理器需要多个电源轨的系统。 此器件提供三个降压转换器、一个用于控制外部转换器的接口以及 8 个 LDO,可灵活用于支持不同的处理器和应用。

其中两个降压转换器为双处理器内核供电,并支持通过专用的 I(2)C 接口动态调节电压,从而实现最优节能。 第 3 个转换器为系统中的输入和输出 (I/O) 以及存储器供电。 通过控制外部转换器可以针对系统中的高电流轨对外部转换器电压进行排序和调节。

此器件还包含 8 个通用 LDO,能够提供大范围的电压和电流能力。 其中 5 个 LDO 支持 1 至 3.3V(步长 100mV),而其它 3 个 LED 支持 1 至 3.3V(步长 50mV)。 所有 LDO 均可由 I(2)C 接口完全控制。

除了电源稳压器,此器件还包含九个具有复用功能的可配置 GPIO,用于支持广泛的功能。 此器件中还包含一个嵌入式电源控制器,用于管理系统的上电排序要求。 电源排序由 EEPROM 设定。

TPS659119-Q1数据手册:

TPS659119-Q1引脚功能、电路图:

德州仪器推出 AEC-Q100 低电压电源管理单元

TPS659119-Q1 经过优化,能够配合 DRA6x 系列(代码Jacinto”)信息娱乐处理器等 TI 汽车 OMAP? 处理器以及其它 ARM? Cortex?此外,TPS659119-Q1 不但进行了工厂编程,而且还可根据客户所选处理器与系统电源需求提供可定制上电断电排序。 TPS659119-Q1 的主要特性与优势: ·

德州仪器推出 AEC

TPS659119-Q1 经过优化,能够配合 DRA6x 系列(代码 Jacinto )信息娱乐处理器等 TI 汽车 OMAP 处理器以及其它

TI推出AEC-Q100低电压电源管理单元 最快启动低于10ms

TPS659119-Q1 经过优化,能够配合 DRA6x 系列(代码“Jacinto”)信息娱乐处理器等 TI 汽车 OMAP 处理器以及其它 A

Q1

【用 途】 一般型贴片管【性能 参数】硅 NPN Rb=Rbe=470kΩ 20V 0.03A【互换 兼容】FMQ1

TI新一代LED驱动器

tlc6c598-q1 与 tlc6c5912-q1 特性与优势: 最高额定电压:tlc6c598-q1 与 tlc6c5912-q1 可在所有输出上实现高达 40v 的最高额定电压。有助于 tlc6c598-q1 为多达 8 串 led 供电,tlc6c5912-q1 为多达 12 串 led 供电,这些 led 串直接与汽车电池相连; 热关断保护:tlc6c598-q1 与 tlc6c591

cd4013产生的方波发生器电路 - 信号处理电子电路图

接通电源,S1=1,使Q1=1,Q1=0,Q1通过R2向C2充电。当R1=1时,FF1复位,Q1=0,Q1=1,C2通过二极管VD2向Q1放电,同时1通过R1向C1充电。当充到CP1为1时,FF1翻转,使Q1=1,Q1=0,C1通过二极管VD1向1放电,Q1通过R2又向C2充电。周而复始产生振荡。

TPS43332-Q1

【用 途】 电源控制电路【性能 参数】  采用HTSSOP-38(DAP)封装,降压输出范围0.9V至11V,可选择升压输出:7V/10V/11V,可编程频率和外部同步范围150kHz至600kHz,分开的启动输入(ENA,ENB),低关断电流Ish 引脚排列图:【互换 兼容】

LM2904-Q1

【用 途】 【性能 参数】【互换 兼容】

TPIC74100-Q1

PIC74100-Q1是一款降压-升压开关模式调节器。其规定的工作温度范围为-40℃~+125℃。   同时又是一款符合汽车电子标准的DC/DC电源管理IC。

TWL1103T-Q1

【用 途】 【性能 参数】【互换 兼容】

相关型号:

TCH20A20 TCH30A15 TCH20A15 TCH10A15 TCH20A10
TCH10A10 TCH30A06 TCH20A20-11A TCH30A15-11A TCH20A15-11A
TCH10A15-11A TCH20A10-11A TCH10A10-11A TCH30A06-11A TCQ30A06
TCQ30A04 TCQ20A04 TCQ10A04 TCQ20A03L TCQ30A06-11A
按首字母检索