华强商城 被动器件(电容/电阻/电感) BOM配单 原厂专区 PCB制板 积分兑换
0
首页>IC索引

TPS65912

具有 4 个直流/直流转换器、10 个 LDO、3 个 LED 输出和 32kHz RC 振荡器的电源管理 IC (PMIC)

TPS65912产品信息:

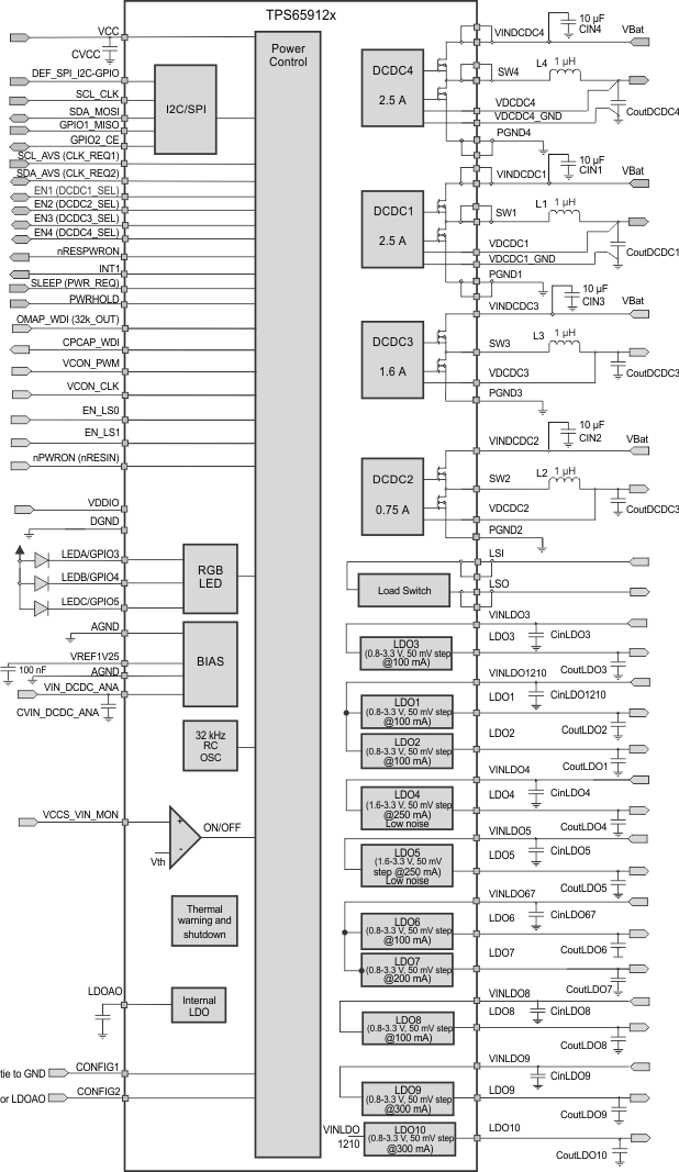
TPS65912x器件提供四个可配置的降压转换器,最高2.5 a输出电流用于内存、处理器核心、I/O或ldo的预调节。该设备还包含10个外部使用的LDO调节器。这些ldo可以由电池或预先调节的电源提供。上下电控制器可配置,支持任意上下电顺序
(OTP-based)。TPS65912x器件集成了一个32khz RC振荡器,在上电或下电期间对所有资源进行排序。所有ldo和DC-DC转换器可以由I(2)C-SPI接口或基本ENABLE球控制。此外,一个独立的自动电压缩放接口允许转换
直流-直流到不同的电压由I(2)C或基本屋顶/地板控制。器件内部集成了三个RGB发光二极管,具有先进的调光功能。GPIO功能在不使用时与LED/ENABLE/SPI多路复用。每个GPIO可以配置为上电顺序的一部分,以控制外部资源。一个SLEEP引脚使电源模式控制之间的交流模式和预编程的睡眠模式电源运行miza on。对于系统控制,TPS65912x设备有一个用于系统状态管理的比较器。TPS65912x器件采用9引脚× 9引脚DSBGA封装(3.6 mm × 3.6 mm),间距0.4 mm。

TPS65912数据手册:

TPS65912引脚功能、电路图:

相关型号:

TCH20A20 TCH30A15 TCH20A15 TCH10A15 TCH20A10
TCH10A10 TCH30A06 TCH20A20-11A TCH30A15-11A TCH20A15-11A
TCH10A15-11A TCH20A10-11A TCH10A10-11A TCH30A06-11A TCQ30A06
TCQ30A04 TCQ20A04 TCQ10A04 TCQ20A03L TCQ30A06-11A
按首字母检索