华强商城 被动器件(电容/电阻/电感) BOM配单 原厂专区 PCB制板 积分兑换
0
首页>IC索引

TPS65988DJ

适用于 PC 和 Thunderbolt 系统且具有集成电源开关的双端口 USB Type-C 和 PD 控制器

TPS65988DJ产品信息:

TPS65988DJ 是独立的 USB Type-C 和电力输送 (PD) 控制器,可为两个 USB Type-C 接口提供线缆插头连接状态和方向检测。进行线缆检测时,TPS65988DJ 会使用 USB PD 协议在 CC 线路上进行通信。在线缆检测和 USB PD 协商完成后,TPS65988DJ 会启用合适的电源路径并为外部多路复用器配置交替模式设置。

TPS65988DJ数据手册:

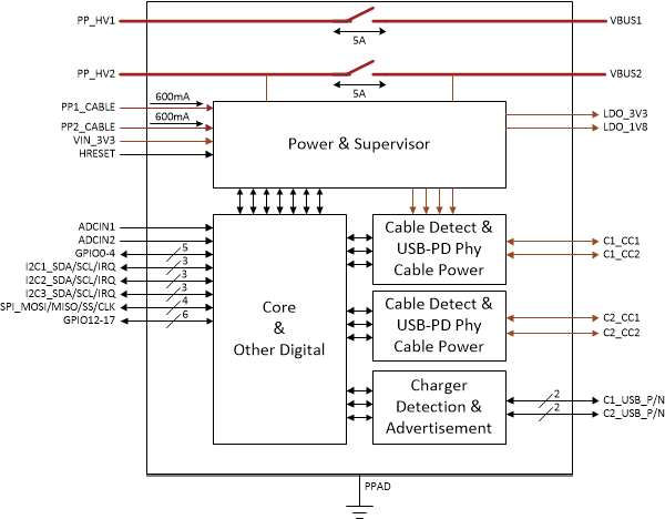
TPS65988DJ引脚功能、电路图:

相关型号:

TCH20A20 TCH30A15 TCH20A15 TCH10A15 TCH20A10
TCH10A10 TCH30A06 TCH20A20-11A TCH30A15-11A TCH20A15-11A
TCH10A15-11A TCH20A10-11A TCH10A10-11A TCH30A06-11A TCQ30A06
TCQ30A04 TCQ20A04 TCQ10A04 TCQ20A03L TCQ30A06-11A
按首字母检索