华强商城 被动器件(电容/电阻/电感) BOM配单 原厂专区 PCB制板 积分兑换
0
首页>IC索引

TPS65988DK

双端口USB Type-C 和USB PD控制器集成电源开关用于USB4设备

TPS65988DK产品信息:

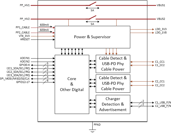
TPS65988DK是一个独立的USB Type-C和Power Delivery (PD)控制器,为两个USB Type-C连接器提供电缆插头和方向检测。检测线缆时,TPS65988DK通过USB PD协议在CC线上通信。当线缆检测和USB PD协商完成后,TPS65988DK会启用适当的电源路径,并为外部复用器配置备选模式设置。

TPS65988DK数据手册:

TPS65988DK引脚功能、电路图:

相关型号:

TCH20A20 TCH30A15 TCH20A15 TCH10A15 TCH20A10
TCH10A10 TCH30A06 TCH20A20-11A TCH30A15-11A TCH20A15-11A
TCH10A15-11A TCH20A10-11A TCH10A10-11A TCH30A06-11A TCQ30A06
TCQ30A04 TCQ20A04 TCQ10A04 TCQ20A03L TCQ30A06-11A
按首字母检索