华强商城 被动器件(电容/电阻/电感) BOM配单 原厂专区 PCB制板 积分兑换
0
首页>IC索引

TPS73801-SEP

采用增强型航天塑料封装的 2.2V 至 20V、1A、耐辐射、低噪声、输出可调节 LDO

TPS73801-SEP产品信息:

TPS73801-SEP 是一款针对快速瞬态响应进行了优化的低压降 (LDO) 稳压器。该器件能够支持 1A 的输出电流(压降为 300mV)。工作静态电流为 1mA,在关断时下降至小于 1µA。静态电流受到很好的控制;与许多其他稳压器一样,它在压降时不上升。除了快速瞬态响应,TPS73801 稳压器还具有极低的输出噪声,这使得它非常适合灵敏射频电源 应用。

输出电压范围为 1.21 至 20V。TPS73801-SEP 稳压器可在与低至 10µF 的输出电容器一起工作时保持稳定。与其它稳压器一同使用时的常见情况一样,在无需额外等效串联电阻 (ESR) 的前提下可使用小型陶瓷电容器。内部保护电路包括反向电池保护、电流限制、热限制和反向电流保护。此器件可被用作一个基准电压为 1.21V 的可调器件。TPS73801-SEP 稳压器采用 6 引脚 TO-223 (DCQ) 封装。

TPS73801-SEP数据手册:

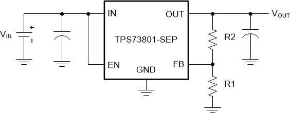
TPS73801-SEP引脚功能、电路图:

gd格式文件用什么软件打开

SEP 阅读器( SEP Reader ) 丰富的阅读体验,可直接阅读 SEP 文件、 <GW 格式公文文件>、 GD 格式公文归档文件,二扫文件( S2 、 S72 、 S92 、 PS2SEP Reader 下载地址:http://www.jb51.net/softs/16

双向通信智能电表推动智能联网世界

本文将全面介绍Smart Energy Profile 2.0(SEP),这是智能能源市场中新出现的一个标准,由ZigBee联盟(ZigBee Alliance)开发。如果对SEP 2.0有一些基本的了解,软件开发者就能更好地选择适合智能能源...

sep文档库技术使中国软件业在核心技术领域实现零的突破

一项对全球软件业产生革命性影响的技术——sep文档库技术,将使中国软件业第一次在产业核心技术领域实现全球领先,并取得了“零”的突破,它的推广与应用将会改变中国软件业长期以来在核心技术领域受制于人的局面这是记者日前在“让梦想点亮世界——sep文档库技术发布暨uoml联盟成立大会”上了解到的。 据了解,sep文档库技术一改“以存储格式为标准”的固有模

ZigBee 联盟完成 SEP2标准

SEP 2 为家域网 (HAN) 能源管理提供基于 IP 的有线和无线网络信息和控制。SEP 2 支持插电式混合动力车 (PHEV) 充电、在公寓楼等多住宅单元的部署,在单一地点接入多种能源服务,以及支持任何基于 IETF(互联网工程任务组)IP 规范协议(如近期公布的 Zi

功率计&频率计制作

Sep. 2002.If you are from Denmark ! read the Danish vers

TDA7050

音频功率放大电路 【性能 参数】8脚贴片封装;电源电压VCC=6V;电压增益=26dB(双声道);=32dB(BTL),输入偏流=20nA;静态电流=3.2mA;输入阻抗=2MΩ;声道分离Sep

SAS扩展器可实现控制器间的交互操作

LSISASx36和LSISASx28扩展器为内部及外部SEP支持提供通用编程模型。此外,还为LSISASx12和LSISASx12A提供外部SEP接口。其它关键特性还包括存储分区产品及自恢复和自配置

uA732

【用 途】 调频立体声解码电路 【性能 参数】双列14脚封装;电源电压VCC=15V;允许功耗Pd=670mW;声道分离Sep=30~45dB;电源电流=11mA;谐波失真THD=

TDA7050T

音频功率放大电路 【性能 参数】8脚贴片封装;电源电压VCC=6V;电压增益=26dB(双声道);=32dB(BTL),输入偏流=20nA;静态电流=3.2mA;输入阻抗=2MΩ;声道分离Sep

中国软件全球领先 中关村推首个文档库技术

中关村软件企业书生公司此间在北京宣布,该公司推出一项将对全球软件业产生革命性影响的技术——“SEP文档库技术”,该技术成功突破一种文档只能在一种软件下编辑的技术壁垒,在全球首次实现了文档可在不同软件间的共享SEP文档库技

相关型号:

TCH20A20 TCH30A15 TCH20A15 TCH10A15 TCH20A10
TCH10A10 TCH30A06 TCH20A20-11A TCH30A15-11A TCH20A15-11A
TCH10A15-11A TCH20A10-11A TCH10A10-11A TCH30A06-11A TCQ30A06
TCQ30A04 TCQ20A04 TCQ10A04 TCQ20A03L TCQ30A06-11A
按首字母检索