华强商城 被动器件(电容/电阻/电感) BOM配单 原厂专区 PCB制板 积分兑换
0
首页>IC索引

TPS7H3301-SP

耐辐射加固保障 (RHA)、3A 灌电流/拉电流 DDR 终端线性稳压器

TPS7H3301-SP产品信息:

TPS7H3301-SP 是一款内置 VREF 的 D 和单粒子效应 (SEE) 抗辐射加固型双倍数据速率 (DDR) 3A 终端稳压器。该稳压器专门用于为空间 DDR 终端应用 (如单电路板计算机、固态记录器和载荷处理应用) 提供一套完整的紧凑型、低噪声解决方案。

TPS7H3301-SP 支持并兼容 DDR、DDR2、DDR3、DDR4 以及相关的低功耗 JEDEC 规范。凭借快速瞬态响应,TPS7H3301-SP VTT 稳压器可在读取/写入状态下提供稳定性较高的电源。TPS7H3301-SP 还包含一个内置的 VREF 电源。该电源可跟踪 VTT 以进一步缩减解决方案尺寸。在瞬态变化过程中,VREF 电源的快速跟踪功能能够最大限度地降低 VTT 和 VREF 之间的电压偏移。请参见。

为了简单的启用电源排序,使能输入和电源正常输出 (PGOOD) 已在 TPS7H3301-SP 中集成。PGOOD 输出是开漏输出,因此可在所有电源进入稳压状态时将其与多个开漏输出相连来进行监控。使能信号还可用于在挂起至 RAM (S3) 断电模式时使 VTT 放电。

TPS7H3301-SP 采用 常用的 16 引脚耐热增强型双陶瓷扁平封装 (HKR),TPS7H1101-SP 同样采用这种封装。

TPS7H3301-SP数据手册:

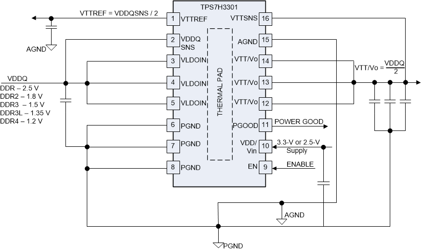
TPS7H3301-SP引脚功能、电路图:

SP

代 表 公 司 PLESSEY 英国普利西半导体公司 元件种类或用途集成电路 典 型 型 号 公 司 简 介

PCD3332-SP

【用 途】 多标准脉冲/拨号器/振铃器 【性能 参数】双列28脚DIP封装。

M37266EE-SP

【用 途】 【性能 参数】【互换 兼容】

超便携娱乐LED投影三星SP-P410M将上市

继推出面向商务市场的三星SP-P400B之后,一款面向家庭用户的LED投影机,三星SP-P410M也在国内亮相。三星SP-P410M投影小巧体积 三星SP-P410M投影重量不足1公斤   造型方面,三星SP-P410M投影机与三星SP-P400B相似,不过机身的颜色增加了

M38002S-SP

【用 途】 【性能 参数】【互换 兼容】

M37267EE-SP

【用 途】 【性能 参数】【互换 兼容】

中国移动将建不良信用SP名单库制度

商报讯(记者吴辰光)针对SP厂商时有发生的违规行为,中国移动开始加大管理力度。记者昨日从中国移动数据中心获悉,中国移动将实行不良信用合作SP名单库制度。据了解,此次中国移动针对SP的联动机制进一步扩大了实施范围,在SP日常合作管理、退出环节都加强联动管理。即日起,SP在同一业务线内出现违约行为,除了在本省进行违约处理之外,其他省同一业务线内实施SP公司级跨省联动扣分处理。同时,中国移动还将建立不良信用合作SP

PIC16C57-XT/SP

【用 途】 单片机微处理器 【性能 参数】

ARC胆前级电路图

在真空管前级方面,令人怀念的有SP-3A、SP-6B、SP-8、SP-10MarkII和SP-11MarkII。后级方面则有D-52、

相关型号:

TCH20A20 TCH30A15 TCH20A15 TCH10A15 TCH20A10
TCH10A10 TCH30A06 TCH20A20-11A TCH30A15-11A TCH20A15-11A
TCH10A15-11A TCH20A10-11A TCH10A10-11A TCH30A06-11A TCQ30A06
TCQ30A04 TCQ20A04 TCQ10A04 TCQ20A03L TCQ30A06-11A
按首字母检索