华强商城 被动器件(电容/电阻/电感) BOM配单 原厂专区 PCB制板 积分兑换
0
首页>IC索引

TPS92391

具有 6 个 200mA 通道的升压/SEPIC 高调光性能 LED 驱动器

TPS92391产品信息:

TPS92391是一款具有升压控制器的自动高效LED驱动器。6个高精度电流汇聚器支持根据使用的通道数自动调整相移。LED亮度可以通过I²C接口或PWM输入进行全局控制。

该升压控制器具有基于LED电流汇聚的净空电压的自适应输出电压控制。该功能通过将升压电压调整到所有条件下的最低足够水平来最小化功率消耗。宽范围可调频率允许TPS92391避免干扰AM无线电波段。

TPS92391支持内置混合PWM调光和模拟电流调光,降低EMI,延长LED寿命,增加总运算效率。

TPS92391数据手册:

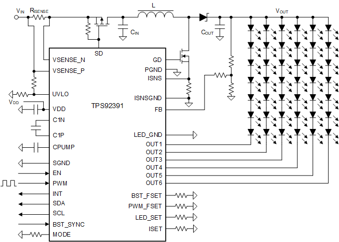
TPS92391引脚功能、电路图:

相关型号:

TCH20A20 TCH30A15 TCH20A15 TCH10A15 TCH20A10
TCH10A10 TCH30A06 TCH20A20-11A TCH30A15-11A TCH20A15-11A
TCH10A15-11A TCH20A10-11A TCH10A10-11A TCH30A06-11A TCQ30A06
TCQ30A04 TCQ20A04 TCQ10A04 TCQ20A03L TCQ30A06-11A
按首字母检索