华强商城 被动器件(电容/电阻/电感) BOM配单 原厂专区 PCB制板 积分兑换
0
首页>IC索引

TRF370317

0.4GHz 至 4.0GHz 正交调制器,1.7V 共模电压

TRF370317产品信息:

TRF370317是一个低噪声的直接正交调制器,能够将复杂的调制信号从基带或中频直接转换到射频。TRF370317是一种高性能、优越的线性器件,对于400mhz到4ghz的射频频率是理想的。该调制器实现为双平衡混频器。射频输出块包括差分到单端转换器和一个能驱动单端50-的射频放大器无需任何外部组件即可加载。TRF370317需要1.7 v的共模电压来实现线性性能。

TRF370317数据手册:

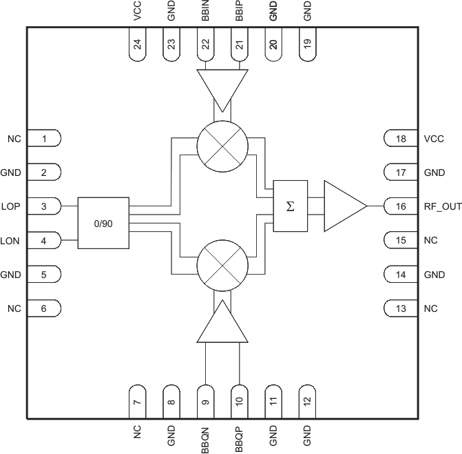
TRF370317引脚功能、电路图:

TI推出正交调制器TRF370317,具有4GHz RF输出

TI推出正交调制器TRF370317,具有4GHzRF输出传输率日前,德州仪器(TI)宣布推出一款支持高达4GHzRF输出传输率的高线性、超低噪声正交调制器,该解决方案不仅进一步壮大了高性能射频(RF)TI的TRF370317正交调制器是一种直接发射式RF发送设备,可为基站设备制造商提供得已改进的线性和更高的输出功率,从而可在降低功耗和服务供应商运作成本的

TI推出正交调制器TRF370317,具有4GHz RF

TI的TRF370317正交调制器是一种直接发射式RF发送设备,可为基站设备制造商提供得已改进的线性和更高的输出功率,从而可在降低功耗和服务供应商运作成本的同时,从总体上提高发送器的性能。  T

全新4GHz高线性、超低噪声正交调制器(TI

TI的TRF370317正交调制器是一种直接发射式RF发送设备,可为基站设备制造商提供得已改进的线性和更高的

TI推出高性能超低噪声4GHz正交调制器TRF370317

TI的TRF370317正交调制器是一种直接发射式RF发送设备,可为基站设备制造商提供得已改进的线性和更高的输出功率,从而可在降低功耗和服务供应商运作成本的同时,从总体上提高发送器的性能。

德州仪器全新4GHz 正交调制器为无线服务供应商提供优异的多载波性能

TI的TRF370317正交调制器是一种直接发射式RF发送设备,可为基站设备制造商提供得已改进的线性和

TI推出正交调制器TRF370317,具有4GHz RF输出传输率

TI的TRF370317正交调制器是一种直接发射式RF发送设备,可为基站设备制造商提供得已改进的线性和更高的输出功率,从而可在降低功耗和服务供应商运作成本的同时,从总体上提高发送器的性能。

相关型号:

TCH20A20 TCH30A15 TCH20A15 TCH10A15 TCH20A10
TCH10A10 TCH30A06 TCH20A20-11A TCH30A15-11A TCH20A15-11A
TCH10A15-11A TCH20A10-11A TCH10A10-11A TCH30A06-11A TCQ30A06
TCQ30A04 TCQ20A04 TCQ10A04 TCQ20A03L TCQ30A06-11A
按首字母检索