华强商城 被动器件(电容/电阻/电感) BOM配单 原厂专区 PCB制板 积分兑换
0
首页>IC索引

UAF42

通用有源滤波器

UAF42产品信息:

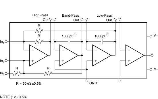
UAF42是一种通用有源滤波器,可配置为广泛的低通、高通和带通滤波器。它采用了一个经典的状态变量模拟结构,有一个反相放大器和两个积分器。这些集成商包括片上1000pF的电容,被调至0.5%。这种结构解决了有源滤波器设计中最困难的问题之一-获得紧公差,低损耗电容器。

一个dos兼容的滤波器设计程序可以很容易地实现许多类型的滤波器,如Butterworth, Bessel和Chebyshev。第四个,未指定的fet输入运放(与其他三个相同)可用于形成额外的级,或用于特殊滤波器,如带阻和逆切比雪夫。

UAF42的经典拓扑结构形成了一个时间连续滤波器,不存在与开关电容滤波器类型相关的异常和开关噪声。

UAF42可在14针塑料DIP和SOIC-16表面安装封装,指定为-25°C到+85°C的温度范围。

UAF42数据手册:

UAF42引脚功能、电路图:

UAF42

【用 途】 旁热式阴极遥截止五极-二极复合管/检波、高中频电压放大和低频电压放大【性能 参数】灯丝电压(Uf)=12.6V;灯丝电流(If)=0.1A;第一栅极电压(Ug1)=﹣2~﹣28V;跨导(S)=2mA/V;内阻(Ri)=0.9MΩ.(应用数据A)(高中频电压放大)阳极电压(Ua)=170V;阳极电流(Ia)=5mA;第二栅

可编程模拟滤波器

如图为模拟电路,数字可编程滤波器通过UAF42建立,这种单片状态变量有源滤波器芯片为外部元件变化提供了低灵敏度的两极滤波器基石。它可避免图像失真错误和时钟反馈,尽管对开关电容滤波器来说,噪音很普遍。

通用有源滤波器集成电路UAF42

UAF42中文资料_参数_替代_应用-电子管

【用 途】 旁热式阴极遥截止五极-二极复合管/检波、高中频电压放大和低频电压放大【性能 参数】灯丝电压(Uf)=12.6V;灯丝电流(If)=0.1A;第一栅极电压(Ug1)=﹣2~﹣28V;跨导(S)=2mA/V;内阻(Ri)=0.9MΩ.(应用数据A)(高中频电压放大)阳极电压(Ua)=170V;阳极电流(Ia)=5mA;第二栅极电压(Ug2)=170V;第二栅极电流(Ig2)=

相关型号:

UCHD30A09 UCHS30A12 UCHS20A12 UCHS10A12 UCHS30A08
UCHS20A08 UCHS10A08 UCHS10A065 UCQS10A065 UCQS30A045
UCQS20A045 UCQ30A03 UCF20B40 UCF10B40 UCU20D30
UBA2213CT UBA2213BT UBA2213AT UBA2211CT UBA2211BT
按首字母检索