华强商城 被动器件(电容/电阻/电感) BOM配单 原厂专区 PCB制板 积分兑换
0
首页>IC索引

UC28023

经济型单端高速 PWM 控制器

UC28023产品信息:

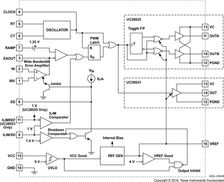
UC28023和UC28025是针对高频开关模式电源应用优化的固定频率PWM控制器。UC28023为单端拓扑提供单输出PWM,而UC28025为双端和全桥拓扑提供双交流输出。

以最小的外部组件为目标的具有成本效益的解决方案。UC2802x器件包括一个振荡器,一个温度补偿基准,一个宽带宽误差放大器,一个高速电流检测比较器,和大电流,高有源,图腾极输出直接驱动外部mosfet。

保护电路包括一个具有1v阈值的电流限制比较器,一个TTL兼容的关闭端口,以及一个软启动引脚,该引脚可兼作最大占空比箝位器。逻辑是完全锁存的,以提供无抖动的操作,并禁止在一个输出的多个脉冲。欠压闭锁部分与800mv的迟滞保证低启动电流。在欠压闭锁时,输出为高阻抗。通过比较器和逻辑电路的传播延迟被最小化,同时误差放大器的带宽和转摆率最大。

设备可在-40℃至105℃的工业温度范围内使用。封装产品包括16引脚SOIC (DW)或16引脚PDIP (N)封装。

UC28023数据手册:

UC28023引脚功能、电路图:

相关型号:

UCHD30A09 UCHS30A12 UCHS20A12 UCHS10A12 UCHS30A08
UCHS20A08 UCHS10A08 UCHS10A065 UCQS10A065 UCQS30A045
UCQS20A045 UCQ30A03 UCF20B40 UCF10B40 UCU20D30
UBA2213CT UBA2213BT UBA2213AT UBA2211CT UBA2211BT
按首字母检索