华强商城 被动器件(电容/电阻/电感) BOM配单 原厂专区 PCB制板 积分兑换
0
首页>IC索引

UCC27288

2.5 a到3.5 a 120v半桥驱动器与8v UVLO和没有内部升压二极管

UCC27288产品信息:

UCC27288是一个强大的n通道MOSFET驱动器,最大开关节点(HS)电压为100 V。它允许两个n通道mosfet被控制在半桥或同步降压配置的拓扑。其峰值吸收电流和峰值源电流以及低上拉和下拉电阻使UCC27288能够在MOSFET Miller平台过渡期间以最小的开关损耗驱动大功率MOSFET。由于输入独立于电源电压,UCC27288可以与模拟和数字控制器一起使用。两个输入完全相互独立,因此提供了额外的控制设计灵活性。

输入引脚以及HS引脚能够容忍显著的负电压,提高了系统的鲁棒性。输入是完全相互独立的。这允许控制灵活性,如果需要,两个输出可以由重叠的输入重叠。小的传播延迟和延迟匹配规格使死区时间要求最小化,提高了系统效率。

低压锁定(UVLO)为高侧和低侧驱动器级提供,如果VDD电压低于指定的阈值,则强制输出低。没有集成的自举二极管允许用户使用应用适当的外部自举二极管。UCC27288在SOIC8软件包中提供,以提高系统在恶劣环境中的鲁棒性。

UCC27288数据手册:

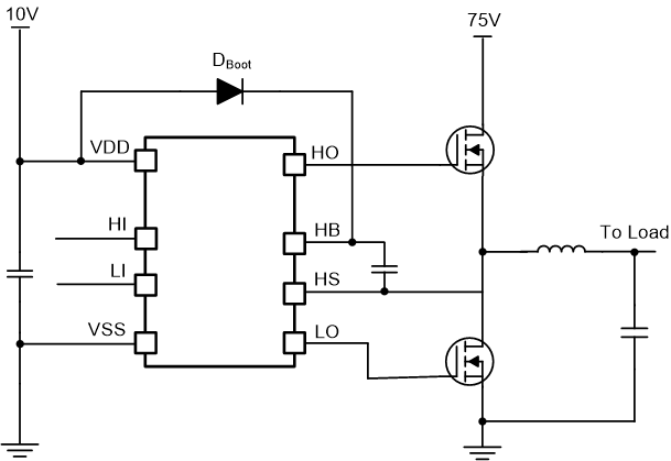
UCC27288引脚功能、电路图:

相关型号:

UCHD30A09 UCHS30A12 UCHS20A12 UCHS10A12 UCHS30A08
UCHS20A08 UCHS10A08 UCHS10A065 UCQS10A065 UCQS30A045
UCQS20A045 UCQ30A03 UCF20B40 UCF10B40 UCU20D30
UBA2213CT UBA2213BT UBA2213AT UBA2211CT UBA2211BT
按首字母检索