华强商城 被动器件(电容/电阻/电感) BOM配单 原厂专区 PCB制板 积分兑换
0
首页>IC索引

VCA8617

8 通道可变增益放大器

VCA8617产品信息:

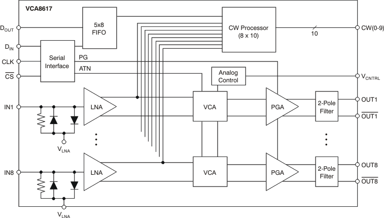
VCA8617是一款8通道可变增益放大器,非常适合便携式超声应用。卓越的动态性能使其能够用于低功耗、高性能的便携式应用程序。每个通道包括一个20dB增益低噪声前置放大器(LNA)和一个可变增益放大器(VGA)。LNA的差分输出可以通过8x10的交叉点开关进行切换,该开关通过串口输入端口进行编程。

LNA的输出直接输入VGA级。VGA由电压控制衰减器(VCA)和可编程增益放大器(PGA)两部分组成。PGA的增益和增益范围可以分别进行数字配置。PGA的增益可以在25dB、30dB、35dB和40dB四个离散设置之间变化。VCA有四个可编程的最大衰减设置:29dB, 33dB, 36.5dB和40dB。此外,VCA可以通过控制电压从0dB到最大29dB、33dB、36.5dB和40dB连续变化。

PGA的输出直接馈入集成的低通滤波器。

VCA8617数据手册:

VCA8617引脚功能、电路图:

相关型号:

VSHS15A12 VSHS10A12 VSHS03A12 VSHS15A08 VSQS10A065
VSQS15A045 VSQS10A045 VCF06A20 VSF05A20 VG-95218-T023-F001
VG95218-T022-D008 VG-95218-T028-D065CK3100 VG-95218-T028-D068CK3100 VG-95218-T028-D062CK3100 VG-95218-T028-D057CK3100
VG-95218-T028-E010CK3100 VG-95218-T028-D050CK3100 VG-95218-T028-D056CK3100 VG-95218-T028-D063CK3100 VG-95218-T028-D060CK3100
按首字母检索