华强商城 被动器件(电容/电阻/电感) BOM配单 原厂专区 PCB制板 积分兑换
0
首页>IC索引

VND5004A-E

支持模拟电流感应的双通道4 毫欧高侧驱动器,用于汽车应用

VND5004A-E产品信息:

描述

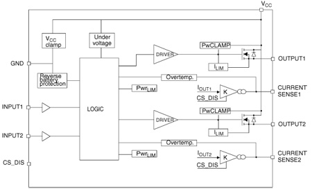
VND5004A-E和VND5004ASP30-E是利用微电子VIPower技术制作的器件。它们用于驱动一侧接地的电阻或电感负载。主动VCC引脚电压箝位和负载转储保护电路再次保护器件在VCC引脚上的瞬态。这些设备集成了一个模拟电流传感器,当CS_DIS被驱动低电平或左开时,该传感器提供与负载电流成比例的电流(根据已知的比例)。当CS_DIS被高驱动时,电流检测管脚是高阻抗的。输出电流限制保护设备在过载状态。在长时间过载的情况下,该设备将耗散的功率限制在一个安全水平,直到热关闭干预。热停机和自动重新启动使设备在故障状态消失后立即恢复正常运行。
  • 所有功能

    • AEC-Q100合格
    • 一般
      • 通过功率限制有源管理涌流
      • 电流非常低
      • 3.0 V CMOS兼容输入
      • 优化电磁发射
      • 极低的磁化率
      • 符合2002/95/EC欧洲指令
    • Diagno ic的功能
      • 比例负载电流检测
      • 目前感觉禁用
      • 热关机指示
    • 保护
      • 欠压关闭
      • 过电压夹
      • 负载电流限制
      • 热关机
      • fa热瞬态的自限制
      • 保护失地又失VCC
      • 逆电池保护与自接通的PowerMOS
      • 放电保护

VND5004A-E数据手册:

VND5004A-E引脚功能、电路图:

E

代 表 公 司 TEMIC公司 元件种类或用途集成电路 典 型 型 号 公 司 简 介

ee本 T3怎么样

ee本 T3除了传统的数据线、充电器、耳机外,这款产品还配备了原装保护皮套、原装手写笔。ee本的平均厚度为9.9mm,电磁手写笔的大小跟我们普通的圆珠笔并无太大区别,笔头可以书写,令人感到意外的是笔帽可以进行擦除操作。此外,电磁笔中部是功能键,可以进行范围框定等操作。

ICQ3-E

【用 途】 桥式整流硅堆 【性能 参数】硅 300V 1A Vf=1V Lfsm=50A 【互换 兼容】

2CK73A-E

【用 途】 开关二极管 【性能 参数】硅 20-60V 50mA Vf=1V Trr=5ns 【互换 兼容】

BFV85D/E

【用 途】 低噪声音频放大 【性能 参数】硅 NPN 45V 0.03A >30MHz 【互换 兼容】3DG110C

SAA5254P/E

【用 途】 【性能 参数】

2SK55-E

【用 途】 场效应调频/甚高频/混频管 【性能 参数】N沟 15V 6-14mA 0.15W 【互换 兼容】

2SK41NP-E

【用 途】 场效应调频/高频放大/混频管 【性能 参数】N沟 18V 2.5-6mA 0.15W 100MHz 【互换 兼容】

EPOEN彩激8500C/8600C维修代码

E 113 无定影器E 510 激光器棱镜电机故障E 511 电机 1 故障E 512 P/H 电机故障E 513 NVRAM 故障E 516 双面单元故障(通信故障)E 517 可选纸盒故障E 520二次转印故障(Advance)E 521 二次转印故障E 523 PCDC 故障E 524 碳粉浓度过低E 525 碳粉浓度过高E 526 ADC 传感器脏E 527 显影原位传感器故障E 530

Viper22ADIP-E

【用 途】 开关电源稳压模块【性能 参数】  采用DIP-8(双列直插式)塑封结构,8只引脚实际只有4只,该模块内部集成有高压电流源,基准电压源、OSC振荡器、PWM比较器、RS锁存器、驱动级、MOSFET功率开关器件、过电压保护、过电流保护、过热保护以及欠压锁定(UVLO)等电路。输出功率为13W。

相关型号:

VSHS15A12 VSHS10A12 VSHS03A12 VSHS15A08 VSQS10A065
VSQS15A045 VSQS10A045 VCF06A20 VSF05A20 VG-95218-T023-F001
VG95218-T022-D008 VG-95218-T028-D065CK3100 VG-95218-T028-D068CK3100 VG-95218-T028-D062CK3100 VG-95218-T028-D057CK3100
VG-95218-T028-E010CK3100 VG-95218-T028-D050CK3100 VG-95218-T028-D056CK3100 VG-95218-T028-D063CK3100 VG-95218-T028-D060CK3100
按首字母检索