华强商城 被动器件(电容/电阻/电感) BOM配单 原厂专区 PCB制板 积分兑换
0
首页>IC索引

VNI8200XP

八通道高侧智能功率固态继电器,具有串行/并行可选片上接口

VNI8200XP产品信息:

描述

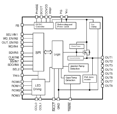
VNI8200XP是一个单片8通道驱动器,具有非常低的供电电流,集成SPI接口和高效率的100 mA微功率压降开关稳压器峰值电流控制环路模式。集成电路,实现微电子 VIPower 技术,旨在驱动任何类型的负载与一侧连接到地。有源通道限流与热关机相结合,独立于每个通道,并自动重新启动,保护设备再次过载。
其他嵌入式函数有:GND保护失效,接地断开时自动切断设备输出,欠压关机,电源良好诊断,有效电源电压范围识别,输出使能功能,立即电源输出ON/ off,可编程看门狗功能,单片机安全运行;外壳过温保护,控制IC外壳温度。
该设备嵌入一个四线SPI串行外设,可选择8位或16位操作;通过一个选择引脚,该设备还可以与一个并行接口操作。
8位和16位SPI操作都与菊花链连接兼容。
SPI接口允许通过启用或禁用每个通道的命令输出驱动程序,以16位格式,一个奇偶校验控制通信robu。它还允许对IC信号的状态进行监控,对各通道的超温状态进行检测,IC温度预警。
内置的热关机保护芯片免受过温和短路。在过载状态下,当集成电路温度降低到一个给定的温度阈值以下时,该通道会自动关闭和打开,从而控制结温。如果这种情况使外壳温度达到外壳温度限制,当外壳和结温度降低到它们自己的复位阈值以下时,TCSD、过载通道将被关闭并重新启动。如果发生热复位,则加载的通道直到结温复位事件才接通。非过载信道继续正常运行。温度高于TCSD的个案,由TWARN排水明沟销。
内部电路提供非锁存公用电路的错如果发生以下事件之一:通道OVT(过温),奇偶校验失败。Power Good诊断警告控制器供电电压低于固定阈值。
看门狗功能用于检测ho控制器软件故障的发生。看门狗电路在内部看门狗定时器到期时产生内部复位。看门狗定时器复位可以通过在WD引脚上施加一个负脉冲来实现。看门狗功能可以通过WD_EN专用引脚关闭。此引脚还允许编程的看门狗的广泛时间。
内部LED矩阵驱动电路(4行,2列)允许检测单个输出的状态。集成的降压稳压器为内部LED矩阵驱动器和逻辑输出缓冲器提供电源电压,如果应用需要隔离,可以用于提供外部光耦合器。该调节器通过一个峰值电流控制回路的脉冲逐脉冲电流限制来再次保护短路或过载条件。
  • 所有功能

    • 输出电流:0.7 A每通道
    • 串行/并行选择界面
    • 短路保护
    • 8位和16位SPI接口,用于IC命令和控制诊断IC
    • 通道过温检测及保护
    • 独立通道的热独立性
    • 驱动所有类型的负载(电阻性、电容性、电感性负载)
    • 失去GND保护
    • Power良好的诊断
    • 带eresis欠压停机
    • 过压保护(V(CC)钳位)
    • 极低供电电流
    • 常见故障开路排水沟输出
    • IC报警温度检测
    • 通道允许输出
    • 集成引导二极管的100ma高效率降压开关稳压器
    • 可调节输出
    • 开关式稳压器禁用
    • 5 V和3.3 V兼容的I/ o
    • 通道输出状态LED驱动4x2多路阵列
    • 电感负载消磁
    • 防静电保护
    • 设计满足IEC61131-2, IEC61000-4-4, IEC61000-4-5

VNI8200XP数据手册:

VNI8200XP引脚功能、电路图:

相关型号:

VSHS15A12 VSHS10A12 VSHS03A12 VSHS15A08 VSQS10A065
VSQS15A045 VSQS10A045 VCF06A20 VSF05A20 VG-95218-T023-F001
VG95218-T022-D008 VG-95218-T028-D065CK3100 VG-95218-T028-D068CK3100 VG-95218-T028-D062CK3100 VG-95218-T028-D057CK3100
VG-95218-T028-E010CK3100 VG-95218-T028-D050CK3100 VG-95218-T028-D056CK3100 VG-95218-T028-D063CK3100 VG-95218-T028-D060CK3100
按首字母检索