华强商城 被动器件(电容/电阻/电感) BOM配单 原厂专区 PCB制板 积分兑换
0
首页>IC索引

VSP5610

16 位 35MSPS 4 通道成像模拟前端

VSP5610产品信息:

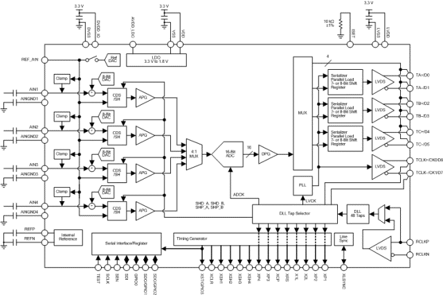
VSP5610/11/12 为高速、高性能 16 位模数转换器 (ADC),具有四个独立的采样电路通道,用于多路输出充电耦合设备 (CCD) 及互补金属氧化物半导体 (CMOS) 系列传感器。 传感器的像素数据由采样/保持 (SH) 或相关双采样 (CDS) 电路采样,然后由 ADC 转化为数字数据。 数据输出在低电压差动信号 (LVDS) 或 CMOS 模式下可选。

VSP5610/11/12 包括一个可编程增益,支持亮度引起的像素级反射。 集成数模转换器 (DAC) 可用于调节模拟输入信号的偏移级别。 此外,定时发生器 (TG) 和一些控制传感器运行的器件集成。

VSP5610/11/12 使用 1.65V 至 1.95V 用于内核电压,3.0V 至 3.6V 用于 I/O。 内核电压由内置低压降稳压器 (LDO) 提供。

VSP5610数据手册:

VSP5610引脚功能、电路图:

相关型号:

VSHS15A12 VSHS10A12 VSHS03A12 VSHS15A08 VSQS10A065
VSQS15A045 VSQS10A045 VCF06A20 VSF05A20 VG-95218-T023-F001
VG95218-T022-D008 VG-95218-T028-D065CK3100 VG-95218-T028-D068CK3100 VG-95218-T028-D062CK3100 VG-95218-T028-D057CK3100
VG-95218-T028-E010CK3100 VG-95218-T028-D050CK3100 VG-95218-T028-D056CK3100 VG-95218-T028-D063CK3100 VG-95218-T028-D060CK3100
按首字母检索