华强商城 被动器件(电容/电阻/电感) BOM配单 原厂专区 PCB制板 积分兑换
0
首页>IC索引

L9352B

4通道气门驱动器

L9352B产品信息:

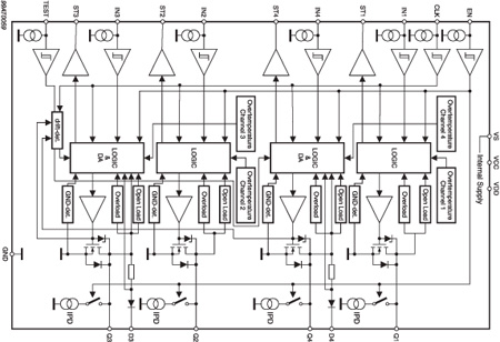
描述

L9352B设计用于驱动低侧配置的感应负载,如ABS/ESC系统中使用的液压阀。集成有源齐纳二极管箝位(通道1和2)或自由滚轮二极管(通道3和4)允许感应负载的再循环。
所有四个通道都被监控与一个状态输出。所有连接到设备负载和电源引脚的接线都被控制。设备在输出处再次发生短路和过温自保护。对于每个通道,一个独立的推拉状态输出用于并行诊断功能。
通道3和4作为电流控制通道工作。电流的目标值由2khz PWM输入信号的占空比(DC)给出。
功率时代的输出PWM控制输出电流。调节器的极限10%或90%被检测和监测与状态信号。电流是在负载的再循环阶段测量的。
使用外部时钟频率为250khz, PWM输出频率为3.9 kHz。
数字PI(比例和积分)调节器是为了内部控制的目标电流基于负载电流测量。
  • 所有功能

    • 监管机构误差控制
    • 监管机构漂移检测
    • ESD (Electro discharge)保护
    • 外部时钟控制
    • 接地和电源损耗检测
    • 四个带保护诊断的低侧输出驱动器。2通道设计为常规开关(r (在)= 0.2集成60v齐纳二极管钳位。2个电流控制通道(r (在)= 0.2电流范围从0 mA到2.25 A类型。集成再循环二极管。
    • 短路保护
    • 输出斜率控制
    • 空载和过载电流检测
    • 再循环路径控制
    • 选择性超温关闭

L9352B数据手册:

L9352B引脚功能、电路图:

基于L9352B的电磁阀控制电路设计与实现

摘 要: 提出了一种基于ARM与集成驱动芯片L9352B的控制方法,该方法通过ARM的输入和输出信号,经隔离后送入集成驱动芯片,对电磁阀进行控制和检测。

相关型号:

LM75BGD LM75ADP LM75AD LM75BTP LM75BDP
LM75BD LPC5536JHI48 LPC5534JHI48 LPC5536JBD64 LPC5536JBD100
LPC5534JBD64 LPC5534JBD100 LPC51U68JBD64 LPC51U68JBD48 LPC55S69JEV98
LPC55S69JBD64 LPC55S69JBD100 LPC55S66JEV98 LPC55S66JBD64 LPC55S66JBD100
按首字母检索