华强商城
被动器件(电容/电阻/电感)
BOM配单
原厂专区
PCB制板
积分兑换
关键词必须两个字符以上
搜索
最近搜索
清除记录
0
购物车
询价
客服
客服
微信扫一扫
热线
客服热线
400-830-6691
服务时间
周一至周六 9:00~18:00
公众号
关注微信公众号
首页
>
IC索引
L9380
分享到:
三重高边MOSFET驱动器
L9380产品信息:
描述
L9380器件是一个控制器,用于三个外部n通道功率MOS晶体管在“高侧开关”配置。它适用于汽车电气控制单元中的继电器更换。
所有功能
合闸充电/放电电流
过压充电泵关闭
电池反保护(参照应用电路图)
V (S)的在25 V
通道1和通道2有开路接地保护功能
通道1和通道2可编程过载保护功能
L9380数据手册:
l9380.pdf
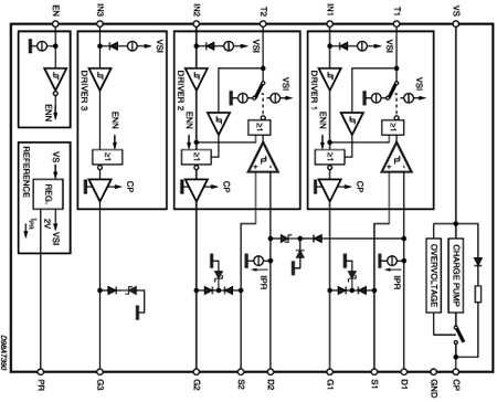
L9380引脚功能、电路图:
L9380
【用 途】 【性能 参数】【互换 兼容】
相关型号:
LM75BGD
LM75ADP
LM75AD
LM75BTP
LM75BDP
LM75BD
LPC5536JHI48
LPC5534JHI48
LPC5536JBD64
LPC5536JBD100
LPC5534JBD64
LPC5534JBD100
LPC51U68JBD64
LPC51U68JBD48
LPC55S69JEV98
LPC55S69JBD64
LPC55S69JBD100
LPC55S66JEV98
LPC55S66JBD64
LPC55S66JBD100
按首字母检索
A
B
C
D
E
F
G
H
I
J
K
L
M
N
O
P
Q
R
S
T
U
V
W
X
Y
Z
0
1
2
3
4
5
6
7
8
9