华强商城 被动器件(电容/电阻/电感) BOM配单 原厂专区 PCB制板 积分兑换
0
首页>IC索引

LM10011

具有可调节启动电流的用于负载点稳压器的 1% 精度 4/6 位 VID 电压编程器

LM10011产品信息:

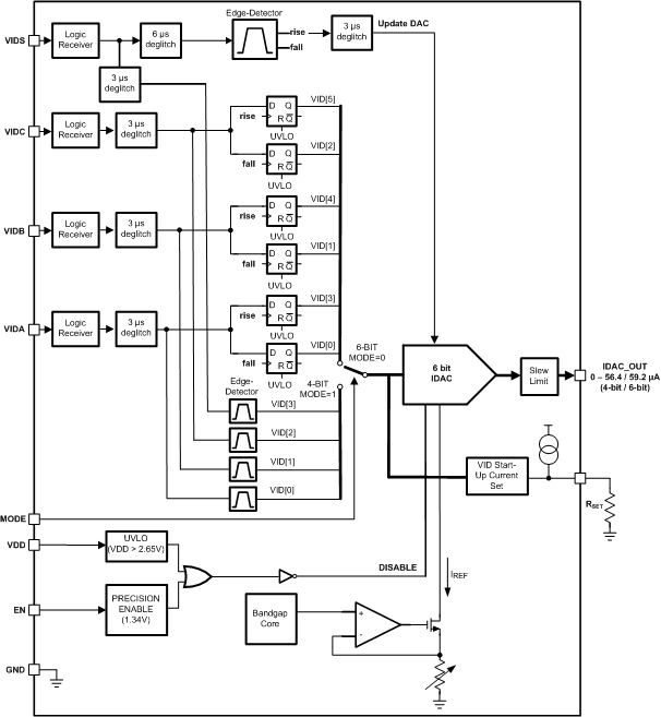
LM10011 是一款用于控制直流/直流 (DC/DC) 转换器输出电压的精密数字可编程器件。 LM10011 输出的直流电流与 6 位或 4 位输入字成正比。 通过将 IDAC_OUT 引脚连接至稳压器的反馈节点,可以将稳压器输出电压调整为用户设置的范围和分辨率。 随着输入字递增计数,根据转换器中反馈电阻的值适当调高输出电压。

可通过外部电阻来编程 IDAC_OUT 引脚的启动电流,以覆盖 0 至 56.4µA 电流范围(分辨率为 4 位)。 MODE 引脚允许通过 4 位并行 VID 接口或 6 位接口(包含高 3 位和低 3 位 VID 代码)对器件进行编程。 LM10011 专用于针对 VID(电压识别)应用编程各类 DC/DC 转换器。

LM10011数据手册:

LM10011引脚功能、电路图:

TI推出支持4/6位电压识别接口的电源管理控制器LM10011

LM10011 是业界首款用于配合负载点稳压器工作的 VID 控制器,可为 TI C6000 电源优化型 DSP 与 KeyStone 多核 DSP 等具有 VID 功能的处理器调节内核电压 (VCORELM10011 可增进TI DSP整体节能能力,降低无线基础设备应用的功耗,以业界领

TI面向内核稳压器推出可调节启动电流的 VID 接口控制器

LM10011 是业界首款用于配合负载点稳压器工作的VID 控制器,可为TI KeyStone多核DSP等具有VID 功能的处理器调节内核电压(VCORE)。LM10011 可增进TI DSP整体节能能力,降低无线基础设备应用的功耗,以业界领先的1% 输出精度与可调节启动输出电流为特色。如欲了解更

LM10011 的开发工具(功率级设计器)和支持软件

LM10011 的开发工具和支持软件描述Power Stage Designer(功率级设计器)工具帮助设计最常用的开关模式电源功率级。也有助于加深对转换器中电压和电流的理解。

相关型号:

LM75BGD LM75ADP LM75AD LM75BTP LM75BDP
LM75BD LPC5536JHI48 LPC5534JHI48 LPC5536JBD64 LPC5536JBD100
LPC5534JBD64 LPC5534JBD100 LPC51U68JBD64 LPC51U68JBD48 LPC55S69JEV98
LPC55S69JBD64 LPC55S69JBD100 LPC55S66JEV98 LPC55S66JBD64 LPC55S66JBD100
按首字母检索