华强商城 被动器件(电容/电阻/电感) BOM配单 原厂专区 PCB制板 积分兑换
0
首页>IC索引

LTC3623

15V、±5A、轨至轨同步降压型稳压器

LTC3623产品信息:

概览

优势和特点

  • 可采用单个电阻器设置的 V(OUT):0V 至 V(IN) - 0.5V
  • Silent Switcher 架构
  • I(ISET) 准确度:±1%
  • 可在整个 V(OUT) 范围内实现严紧的 V(OUT) 调节
  • 输出电流监视器准确度:±5%
  • 可编程导线压降补偿
  • 容易并联以实现较高电流和热散
  • 输入电源电压调节环路
  • 高效率:达 96%
  • 输出电流:±5A
  • 集成型 N 沟道功率 MOSFET (60毫欧 上管和 30毫欧 下管)
  • 可调的开关频率:400kHz 至 4MHz
  • V(IN) 范围:4V 至 15V
  • 电流模式操作以实现超卓的电压和负载瞬态响应
  • 停机模式吸收 <1μA 的电源电流
  • 扁平 24 引脚 3mm x 5mm QFN 封装

产品详情

LTC 3623 是一款高效率、单片式、同步降压型稳压器,其输出电压利用单个外部电阻器进行设置。在 ISET 引脚上具有内部生成的 50μA 准确电流源,因而允许用户设置一个范围为 0V 至 V(IN) - 0.5V 的输出电压。另外,用户还能用一个外部电压电源直接驱动 ISET 引脚以设置转换器的 V(OUT)。V(OUT) 电压直接回馈至误差放大器,以被调节至 ISET 电压。SV(IN) 引脚的工作电源电压范围为 15V 到低至 4V,而 PV(IN) 引脚的电压范围则为 15V 到低至 1.5V,从而使其成为双锂离子电池和从一个 12V 或 5V 电压轨获取电源的合适之选。

该器件的工作频率可利用一个外部 R(T) 电阻器设置在 400kHz 至 4MHz 的范围内。较高的开关频率允许使用较小的表面贴装型电感器,而较低的频率则可实现较高的功率效率。独特的恒定频率 / 受控接通时间架构非常适合于那些既在高频率下运作、同时又要求快速负载瞬态响应的高降压比应用。


Applications

  • 跟踪电源或 DDR 存储器电源
  • ASIC 衬底偏置
  • 负载点 (POL) 电源
  • 便携式仪表、电池供电型设备
  • 热电冷却器 (TEC) 系统

LTC3623数据手册:

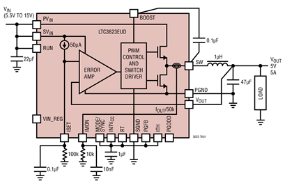
LTC3623引脚功能、电路图:

Linear 推出同步轨至轨、单电阻降压型稳压器 LTC3623

凌力尔特公司 (Linear Technology Corporation) 推出 5A 高效率、电流模式同步降压型稳压器 LTC3623,该器件采用单电阻可调节输出在 14.5V 直至 0V 范围。LTC3623 的独特设计允许在多个稳压器之间简便地实现均流,用单个外部电阻

相关型号:

LM75BGD LM75ADP LM75AD LM75BTP LM75BDP
LM75BD LPC5536JHI48 LPC5534JHI48 LPC5536JBD64 LPC5536JBD100
LPC5534JBD64 LPC5534JBD100 LPC51U68JBD64 LPC51U68JBD48 LPC55S69JEV98
LPC55S69JBD64 LPC55S69JBD100 LPC55S66JEV98 LPC55S66JBD64 LPC55S66JBD100
按首字母检索