华强商城 被动器件(电容/电阻/电感) BOM配单 原厂专区 PCB制板 积分兑换
0
首页>IC索引

LTC6950

具有时钟分配功能的 1.4GHz 低相位噪声、低抖动 PLL

LTC6950产品信息:

概览

优势和特点

  • 低相位噪声和抖动
  • 附加抖动:18fs(RMS) (12kHz 至 20MHz)
  • 附加抖动:85fs(RMS) (10Hz 至 奈奎斯特频率)
  • EZSync 多芯片时钟边沿同步
  • 具有锁定指示器的完整 PLL 内核
  • -226dBc/Hz 归一化带内相位噪声层
  • -274dBc/Hz 归一化 1/f 相位噪声
  • 1.4GHz 最大 VCO 输入频率
  • 四个独立的低噪声 1.4GHz LVPECL 输出
  • 一个 LVDS/CMOS 可配置输出
  • 5 个可独立地编程的分频器 (覆盖从 1 至 63 的所有整数)
  • 5 个可独立地编程的 VCO 时钟周期延迟 (覆盖从 0 至 63 的所有整数)
  • -40°C 至 105°C 结温范围

产品详情

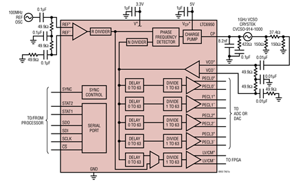
LTC 6950 是一款具时钟分配功能的低相位噪声整数 N 频率合成器内核。LTC6950 可提供高频、高分辨率数据采集系统中所需的低相位噪声时钟信号。

频率合成器包含一个完整的低噪声 PLL 内核,以及一个可编程基准分频器 (R)、一个可编程反馈分频器 (N)、一个相位 / 频率检测器 (PFD) 和一个低噪声充电泵 (CP)。LTC6950 的时钟分配部分提供了多达 5 个基于 VCO 输入的输出。每个输出进行个别编程,以利用从 1 至 63 的任何整数对 VCO 输入频率进行分频,并使输出延迟 0 至 63 个 VCO 时钟周期。其中的 4 个输出具有能够在高达 1.4GHz 频率下运作的非常低噪声、低偏斜 LVPECL 逻辑信号。第 5 个输出可选择为 LVDS (800MHz) 或 CMOS (250MHz) 逻辑类型。另外,还通过编程使该输出产生一个基于 VCO 输入或基准分频器输出的输出信号。


Applications
  • 对高速、高分辨率 ADC、DAC 和数据采集系统进行定时
  • 低抖动时钟产生和分配

LTC6950数据手册:

LTC6950引脚功能、电路图:

相关型号:

LM75BGD LM75ADP LM75AD LM75BTP LM75BDP
LM75BD LPC5536JHI48 LPC5534JHI48 LPC5536JBD64 LPC5536JBD100
LPC5534JBD64 LPC5534JBD100 LPC51U68JBD64 LPC51U68JBD48 LPC55S69JEV98
LPC55S69JBD64 LPC55S69JBD100 LPC55S66JEV98 LPC55S66JBD64 LPC55S66JBD100
按首字母检索