摘要: 下面介绍两种实用型的高频加热变频电源。图1给出了输出频率为200kHz、输出功率为1W的封口机用高频加热变频电源的主电路原理图。
220v感应加热电路图(一)
下面介绍两种实用型的高频加热变频电源。图1给出了输出频率为200kHz、输出功率为1W的封口机用高频加热变频电源的主电路原理图。
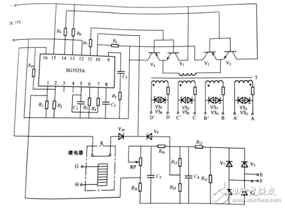
220v的交流电经二极管和电容滤波后,得到直流电压,作为全桥逆变电路的直流侧输入电压。1GBT全桥逆变电路将直流变换成200kHz的交流电。将第四代IGBT用于软开关谐振式逆变电路中,其开关频率可达400kHz以上。变压器的作用是变压和使负载与加热线圈匹配。加热线圈采用多股漆包线绕制成圆形空心线圈。
图2为驱动及保护电路的原理图。图1中高频电流互感器TA对谐振电流进行采样,该采样电流信号经图2中的快恢复二极管V5~V8的全桥整流、电容C4的滤波、电阻Rl3和R15的分压,在过二极管V9加到SG3525A的引脚10(强制关断端)上,起到电流保护作用。
电容器C4滤波后的电流信号,再经过电容C5的滤波、RP和R16的分压送至SG3525A的引脚l(误差放大器反相信号输入端),调节电位器RP,可调节输出功率和控制加热速度。SG3525A是PWM控制集成电路,输出电流大于200mA,输出脉冲电流可达土500mA,可以直接驱动IGBT。输出PWM脉冲信号频率最高可达500kHz。具有软启动功能。

图1封口机用高频加热变频电源的主电路原理图

图2驱动及保护电路的原理图
整机采用自然冷却,为了降低空载时的功耗,在系统中增加一个检测被加热件是否通过加热线圈的检测电路。当没有被加热件通过加热线圈时,继电器K的常闭触点闭合,SG3525A引脚16(基准电压端)输出的5V电压加到引脚10,PWM锁存器关断,主电路输出关断。
当被加热件从加热线圈内通过时,检测电路输出信号将继电器K的常闭触点打开,SG3525A引脚16的5V电压不再加到引脚10,PWM锁存器去锁,系统处于加热状态。
图3给出了另外一种高频加热变频电源的实例。这是一种金属针布高频感应加热变频电源的原理图。图中的主电路是二极管整流串联谐振式1GBT逆变电路。该电路的主要特点是工作在软开关状态,其工作原理在本站的相关文章中有介绍。

图3金属针布高频感应加热变频电源的原理图
220v感应加热电路图(二)
如图,+300V左右的直流电压经R5、P6及R7分压取样,并经D24隔离后送入LM339N的⑧脚(比较器反相输入端);同时,+5V电压经R32、R33分压后,加到LM339M的⑨脚(比较器同相输入端)。
当十300V直流电压超过设定值时,LM339N⑧脚的电压高于⑨脚电压,比较器立即翻转,LM339N的14脚输出为低电平,并经过D14将LM339N②脚电压迅速拉低,使TA8316s的①脚无脉冲信号输入。

交流220V电压经D1、D2整流后分为两路:一路经R38、R39分压取样后,经RL40送到N6(9014)的基极,使N6导通,HT46R47(IC3)的④脚为低电平。
当电源电压低于设定值时,N6截止,HT46RL47④脚为高电平,HT46R47⑩脚停止输出脉冲信号;另一路经K35、R36分压取样并经D17隔离后,送到HT46R47的⑤脚。当电源电压高于设定值时,HT46R47⑩脚将停止输出脉冲信号。
加热线圈L的SK2端(即N10集电极)电压经R27、R28、R29分压取样后,直接送到L.M339N的⑩脚(比较器的反相输入端);同时,+5V电压经R30、R31分压取样后直接送到LM339N的11脚(比较器的同相输入端)。
当N10集电极的电压超过设定值时(一般在1150V左右),LM339N⑩脚的电压高于11脚,LM339N13脚输出为低电平,HT46R47的⑧脚将得不到正常的电压信号,其⑩脚停止输出脉冲信号,从而保护了N10不被击穿损坏。
社群二维码
关注“华强商城“微信公众号
Copyright 2010-2023 hqbuy.com,Inc.All right reserved. 服务热线:400-830-6691 粤ICP备05106676号 经营许可证:粤B2-20210308