摘要: 本文阐述了开关调节器的接地和元件布局,并讨论了寄生电容、电感的影响以及通用的布板技术。
本文介绍了开关型调节器的电路板布局的基本原则。尽管本文集中分析的是升压型开关型调节器,但它所包含的原理同样适合其它类型的开关调节器。本文讨论了接地方法、元器件布局、降低噪声辐射以及减少寄生电容和电感的重要性。
当考虑怎样才能最好地为开关电源设计电路板时,最好首先考虑一下它的最终目的,即提供一个特定数值的稳定电压。有经验的设计人员会谨慎考虑电路的接地方法,从而获得稳定的电压。他们知道很难获得完美的接地方案—因为这不仅仅是接地问题,任何接地工作都会直接影响到电路的性能,设计人员还要特别注意各种稳压元件的位置。
让没有经验的工程师简单地画三条短线表示接地可能是一个误区,这个符号会给初学者一种错觉,简单认为接地是一种理想情况。如果用一条较长的引线把电路的各种元器件连接到电源或电池的负端,您可能从直觉上意识到这条地线并非理想的接地。这条引线表明电流通过地层或地线的电阻、电感流回电源,在这个过程中会产生相应的压降。因此,接地回路不会稳定在一个理想的稳压值—即通常所说的0V。
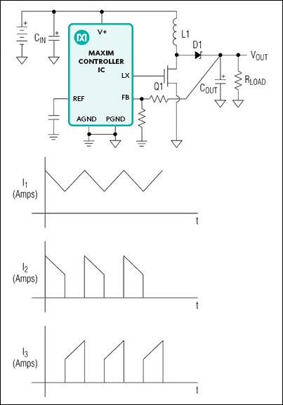
图1所示boost转换器说明了考虑接地的重要性,该调节器依靠控制器IC内部的基准电压和两个反馈电阻产生特定的输出电压。为了获得正确的反馈从而得到正确的输出电压,电压基准、电阻分压器以及输出电容必须处于同一电位。确切地说,控制器的模拟地引脚(电压基准的地)和电阻分压器的地电位必须与输出电容的地电位相等。输出电容接地端的电压至关重要,因为要求稳压器提供精确电压的负载通常紧靠着输出电容安装—这部分地是反馈电压的参考端。

图1. 升压型开关转换器的电路板布局设计原则同样适用于其它拓扑的开关型调节器.
另一原因是控制器需要精确的电压反馈,为了实现无抖动的开关操作,控制器需要在输出电压出现任何交流干扰时能够产生一个准确的取样,而这个精确的取样是通过反馈网络得到的。
除了接地方案,合理的布局稳压元件也很重要。例如,控制器内部的电压基准必须通过紧靠REF引脚安装的电容旁路;基准电压的噪声会直接影响输出电压。同样,该旁路电容的地端必须连接到低噪声的参考地(与控制器的模拟地以及电阻分压器的地端相连),远离嘈杂的功率地。这个低噪声参考地和嘈杂的功率地之间的隔离至关重要。
既然嘈杂的功率地和低噪声参考地最终还是要连接到一起,为何还必须将二者隔离呢? 为了防止较大的开关电流通过模拟小信号的地回路进入电池或电源,这样的隔离是必需的。一旦出现这种状况,敏感信号的地回路遭到干扰;较大的开关电流流经地回路的电阻、电感,使地回路的电平沿着路径发生变化。
了解嘈杂的功率电路有助于找寻将它与其余电路隔离开的最佳方法。图2描述了调节器的功率电路,包括两条电流路径:当MOSFET导通时,电流流过输入回路;当MOSFET断开时,电流流过输出回路。将这两个环路的元件相互靠近布局,可以把大电流限制在调节器的功率电路部分(远离低噪声元件的地回路)。C(IN)、L1和Q1必须相互靠近放置,C(IN)、L1、D1和C(OUT)也必须相互靠近。图2特别指明了这两个环路以及需要靠近安装的元件。

图2. 在为本图所示的两个电流环路的元件布板时,需要特别谨慎。使用短且宽的引线实现如此密集的布线,可以提高效率,减小振铃,并可避免干扰低噪电路。
实际的电路板布局需要一些折中考虑,特别是在为上述两个大电流环路布局时。如果需要决定将哪些 需要 就近安装的元件真正地 实现 就近安装,择须确定每个环路中的哪些元件有不连续的电流流过。就近安装元件可以最大限度地减少寄生电感,而这些具有不连续电流的元件位置对于减少寄生电感非常重要。请参考 将寄生电容和寄生电感减至最小 。
不管是采用电池还是电源为升压型开关调节器供电,电源阻抗都不为零。这意味着当调节器从电源汲取快速变化的电流时,电源的电压将发生变化。为了改善这种效应,电路设计人员在靠近上述两个功率环路的位置安装了输入旁路电容(有时使用两个电容:一个陶瓷电容与一个有极性电容并联)。这一举措并非为了保持功率电路的电源稳定—即使电源电压发生变化,功率电路也能很好工作。然而,将旁路电容靠近功率电路安装可以限制大电流注入功率电路,避免对低噪电路的干扰。
干扰是如何产生的呢?有三个途径:首先,如上所述,如果功率电路的接地返回电流流经调节器模拟电路的部分地回路或全部地回路,由于地回路的寄生电阻、电感,该电流将在这部分地通道上产生开关噪声。地回路的噪声会降低稳压输出精度,这个电流还可能干扰同一电路板的其它敏感电路。其次,与地回路类似,电池或电源正端的开关噪声还可能耦合至用同一电源供电的其它元件。包括控制芯片,使基准电压发生抖动。若输入旁路电容两端的电压不稳定,在控制器的电源引脚前加一级R/C滤波器有助于稳定其供电电压。最后,交流电流流经的环路面积越大,所产生的磁场也越强,产生干扰的几率也大大增加。将输入旁路电容紧靠功率电路安装可以缩小环路面积,从而降低产生干扰的可能性。
如果输出端的两个分压电阻布局不合理,噪声也会引发其它问题。将这两个电阻靠近控制器的FB引脚放置,可以保证得到一个对噪声相对不敏感的电压反馈控制环路。这种布局可以使电阻分压器中点至开关调节器的FB引脚的引线最短。这是非常必要的,因为电阻分压器中点和控制器FB引脚的内部比较器输入都为高阻抗,连接二者的引线易于耦合(主要通过容性耦合)开关调节器的噪声。当然,必要的话,可以考虑延长电阻分压器与输出端相连的引线,以及电阻分压器与输出电容地端相连的引线,开关型调节器的低输出阻抗可抑制这些引线上的耦合噪声。
找出图1电路中电压发生快速变化的节点,也就找出了需要将寄生电容减至最小的位置,这是因为电容两端的电压不能跃变。在该电路中仅有一个这样的节点,即由功率电感、二极管和MOSFET连接形成的节点。开关导通时,该节点的电压接近地电位;开关关闭时,该节点电压攀升至比输出电压高出一个二极管压降的电平。须确保电路板的走线使该节点的寄生电容最小,若寄生电容减缓了该节点的电压瞬变,调节器的效率将受到一定损失。保持该节点较小的尺寸不但有助于减小寄生电容,还可降低EMI辐射。不能牺牲布线宽度来缩小该节点的尺寸,相反,应该采用短而宽的走线。
找出具有快速变化电流的分支,也就找到了需要将寄生电感减至最小的支路。电感电流不能发生跃变,当电感电流快速变化时,电感两端的电压将产生毛刺和振铃,从而导致潜在的EMI问题。而且,该振铃电压的幅度有可能非常高,以至于损坏电路元件。
图3显示了电路的三个支路电流波形,电流I(1)不会产生问题,因为它以相对平缓的方式变化,另外,该支路已经具备了一个大电感,也就是L1。与MOSFET串联的寄生电感则会产生问题,因为电流I(3)有突变。该串联电感包括I(3)至C(IN)地端返回路径的任何感抗:Q1引脚的寄生电感以及地回路自身的电感。注意流经C(IN)的电流并未跃变,而是和电感电流(I(1))的交流部分相等(电池提供其直流部分)。MOSFET关闭时,环路的一部分同样有快速变化的电流流过。该电流I(2)流过D1和C(OUT)以及地回路的覆铜部分,因此,这些元件和地回路的寄生电感必须减至最小。

图3. 开关调节器各个支路的电流波形,由此可以看出哪些部分需要将寄生电容减至最小。电流快速变化(也就是I(2)和I(3))的支路要求感抗最小。
当考虑负载通路上的感抗是否会造成问题时,应注意到输出电容具有较大容值,而且具有很低的ESR,电容两端的电压保持相对稳定。这意味着流过负载的电流不会变化太大,因此其等效串联电感并不重要—除非负载本身动态变化。
有很多种方法可以处理开关电源的接地,一种方法是为所有的接地电路提供一个单独的地层—这种方法可能不会运行在很好的状态下。采用这种方法时,电路的功率地电流可能流经电阻分压器、控制器特定引脚的旁路电容以及控制器的模拟地或是这三者的地回路,从而造成它们的地电位抖动。
也许最好的方法是创建两个单独的地层—一个用于功率电路,另一个用于调节器的低噪声模拟电路。参考图4a,功率地包括输入和输出电容的地端以及MOSFET的源极,这些连线必须采用短而宽的引线,确保功率电路的地线最宽、最短,可以降低感抗、提高效率。
模拟地部分为控制器的模拟地引脚、电阻分压器的地端和控制器任何特定引脚的旁路电容(输入旁路电容C(IN)除外)的地端。该模拟地不必是一个平面,可以使用较宽的长引线,因为其电流非常微弱并且相对稳定,引线电阻和电感不再是重要因素。
按照图4a所示连接控制器的AGND引脚和PGND引脚,在这些引脚之间连接两个地可以确保模拟地内没有开关电流,AGND、PGND之间的连线可以相对较窄,几乎没有电流流过该路径。尽管理想情况下AGND可以直接连接到C(OUT)的地端,多数控制器仍然要求两个地引脚(AGND和PGND)直接连接(这是因为C(OUT)的地和PGND之间总会存在一定的阻抗,若AGND和 C(OUT)的地直接相连,负载电流在该阻抗上产生的压降会达到足以让AGND和PGND之间的二极管导通电压,造成严重后果)。在PGND和C(OUT)之间使用短而宽的引线,可以使反馈电阻和控制器内部基准共用相同的地电位,与调节器的输出端的参考地相同。这一点非常重要,因为输出电压是由这些元件设置控制的。
图4使用不同的模拟和功率地隔离较大的功率地电流与低噪声模拟地电流,从而保护低噪电流路径。

图4. 采用隔离的模拟和功率地隔离较大的功率地电流与低噪声模拟地电流,从而保护低噪电流回路。
有时控制器的某些旁路电容既不能连接至模拟地也不能连接至功率地,其中一个例子是使用R/C滤波器旁路升压开关调节器的V+引脚(如上所述)。这种情况下,该电容接地引脚对于模拟地来说太嘈杂;同时,对于该电容来说功率地的噪声也太大。必须将这样的电容地直接返回至AGND和PGND引脚之间的连线(若控制器仅提供一个接地引脚,直接连接至该引脚)。
最后,电路板的层数在PCB布局中也是一个关键因素。在多层板上,可以使用一个中间层作为屏蔽。屏蔽层允许在电路板的底层放置元件,从而降低干扰的机会。配合使用屏蔽层时,将功率元件的地穿越屏蔽层连接并
非一个好的方法。相反,应该将它们连接在一个隔离的、受限制区域,可以清晰地分辨出这些电流的流向以及它们的影响。
确保功率元件的地位于顶层,这种连接与电路板的层数无关;这样处理可以将其电流限制在已知的路径内,不会干扰其它地回路。若无法实现这一点,可以通过使用其它电路板层的隔离覆铜区域和过孔进行连接。对于每个接地点,应使用多个过孔并联以降低电阻和电感。
社群二维码
关注“华强商城“微信公众号
Copyright 2010-2023 hqbuy.com,Inc.All right reserved. 服务热线:400-830-6691 粤ICP备05106676号 经营许可证:粤B2-20210308