摘要: 六款新器件包括一系列小尺寸RS-232收发器,在1.8V至5.5V的供电范围内工作速度高达1Mbps。
六款新器件包括一系列小尺寸RS-232收发器,在1.8V至5.5V的供电范围内工作速度高达1Mbps。LTC2801和LTC2802是单收发器,采用4mm × 3mm DFN封装,LTC2803和LTC2804是双收发器,采用5mm × 3mm DFN封装。LTC2803-1和LTC2804-1是双收发器,采用16引脚SSOP封装。广泛的供电范围允许直接从两个碱性,镍镉或镍氢电池单元运行,而单独的VL供电引脚消除了混合供电系统中的接口问题。
1Mbps和250kbps数据速率
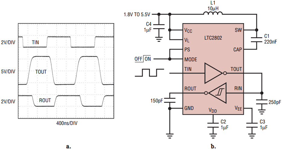
所有设备都能够以100kbps的速度驱动标准RS232负载(2.5nF/3k欧姆),以250kbps的速度驱动1nF/3k欧姆。更快的LTC2802, LTC2804和LTC2804-1也可以以1Mbps的速度驱动250pF/3k欧姆。在发送器环回配置中,单个收发器以1Mbps和1.8V工作的波形如图1所示。

图1所示 驱动器和接收器满载时1.8V和1Mbps的工作波形(a)和发射机环回模式测试电路(b)。
要实现更高的信号速率(原始标准中提供的速率的50倍),需要比标准的30V/µs限制更快地旋转驱动器。较慢的部分,LTC2801和LTC2803,完全符合RS232标准。即使在1.8V电源下,所有部件的输出电平也符合RS232额定数据速率。
图2显示了在不同数据速率下驱动1nF/3k欧姆负载所需的电源电流与电源电压的关系。图3显示了1.8V时电源电流对数据速率的灵敏度。

图2 单(a)和双(b)收发器的供电电流与供电电压。

图3 供电电流与数据速率(单收发器和双收发器)。
更多的功能
根据部件的不同,可提供多达四种工作模式(表1)。DFN部件具有两种省电模式。在关机模式下,每个电源的电流消耗降低到1µA以下。接收器和驱动器输出是高阻抗的,消除了与连接到接收器输出的部分断电相关的任何问题。主动模式类似于关机模式,除了接收器在低电流下偏置。只需15μA的电流,一个或两个接收器就可以监听唤醒信号。除了“正常”全双工工作模式外,还提供“驱动程序禁用”模式,以支持线路共享和半双工操作。
| LTC2801 | LTC2802 | LTC2803 | LTC2803-1 | LTC2804 | LTC2804-1 | |
| 驱动器和接收器 | 1 + 1 | 1 + 1 | 2 + 2 | 2 + 2 | 2 + 2 | 2 + 2 |
| 包 | 12引线4mm × 3mm DFN | 12引线4mm × 3mm DFN | 16引线5mm × 3mm DFN | 16-lead SSOP | 16引线5mm × 3mm DFN | 16-lead SSOP |
| ·100kbps R(L)=3k欧姆, C(L)=2.5nF ·250kbps R(L)=3k欧姆, C(L)=1nF ·1Mbps R(L)=3k欧姆, C(L)=250pF | ✓ ✓ | ✓ ✓ ✓ | ✓ ✓ | ✓ ✓ | ✓ ✓ ✓ | ✓ ✓ ✓ |
| ·30V/µs最大转换速率 ·关闭 ·接收机(S)活跃 ·驱动程序禁用 | ✓ ✓ ✓ ✓ | ✓ ✓ ✓ | ✓ ✓ ✓ ✓ | ✓ ✓ | ✓ ✓ ✓ | ✓ |
这些部件具有内置的措施,允许在RS232接口中遇到的有时恶劣的环境中可靠地运行。所有的设备引脚都有防静电保护,不会损坏或锁存。接口引脚具有额外的保护,可承受重复的10kV人体模型放电。驱动器和接收器输出都有电流限制。
双重监管机构
LTC2801系列中的每个器件都使用集成双稳压器(图4)在其整个输入供应范围内驱动符合RS232标准的输出电平,该稳压器取代了许多RS232集成电路中的电荷泵电压乘子。优秀的线路和负载调节是通过恒定频率(1.2MHz典型)升压调节器实现的,产生7V的正电源和耦合逆变电荷泵,产生-6.3V的负电源。像电荷泵电压倍增器一样,调节器的开关根据驱动器的长度而变化。当驱动器活动/长低时,调节器以脉冲跳变模式工作。由于所有肖特基二极管都集成在一起,因此调节器只需要五个外部元件:一个小型电感器和四个微型陶瓷电容器(图5)。

图4 双稳压器和推荐偏置。

图5 示例板布局与5mm × 3mm DFN封装。
电池供电的微控制器接口
VL接口逻辑电源特性的优势可以在图6中看到,图6显示了一个电池供电的RS232接口到1.8V微处理器上的诊断端口。为了获得最大的效率,LTC2804直接在电池电压下工作。VL引脚连接到微处理器的1.8V稳压电源,设置RxOUT高电平和TxIN,并控制输入阈值电压,自动缩放。这种配置可以延长电池寿命,同时消除对电平转换器的需求。

图6 诊断端口直接关闭未调节电池。
共享线路上的半双工
RS232收发器通常用于原始标准范围之外的配置。图7显示了配置为通过单个RS232接口线发送半双工信号的LTC2802。逻辑接口也在驱动器和接收器之间共享一条线。当PS保持较高时,MODE输入作为低延迟驱动使能,可以在2μs内在发送和接收模式之间切换。在远程设备中使用可切换终端可以帮助避免降低输出水平和增加功耗。

图7 RS232接口的半双工模式。逻辑接口也共享一条线。
四收发器
双收发器通常用于提供双向接口,该接口包括数据线和硬件握手控制信号。如果需要两个这样的端口,两个双收发器设备可以共享一个设备的稳压器(图8)。将两个设备的CAP引脚绑在一起,并联连接两个设备的反相电荷泵肖特基二极管。由于组合二极管的正向电压降低,负电源水平得到改善。第二个设备的未使用的SW引脚应该接地。这种配置消除了一组外部组件。

图8 减少组件数量的四路收发器。
可调电平转换器
任何RS232收发器都是双向电平转换器。在关闭稳压器和驱动器的情况下,接收器可以通过VL电源定义的输出高电平提供简单的单向电平转换(图9)。这使得3v到5v或5v到1.8 v的逆变转换器能够达到1Mbps。静态双转换器消耗120μA电流。如果不需要迟滞,可以将MODE和PS引脚连接反向,以获得能够100kbps的低功率版本(15μA静态)。

图9 反相电平转换器。
结论
LTC2801系列1.8V至5.5V的宽输入范围使这些部件能够使用广泛的电源提供完全兼容的输出电平的RS232接口。每个部件及其外部组件所需的占地面积小(图5),独立的逻辑接口供应和节能功能,使该系列部件成为为现代消费电子产品设计低成本标准化信号接口的有吸引力的选择。
社群二维码
关注“华强商城“微信公众号
Copyright 2010-2023 hqbuy.com,Inc.All right reserved. 服务热线:400-830-6691 粤ICP备05106676号 经营许可证:粤B2-20210308