电子元器件产业互联网平台
一站式电子元器件采购平台
元器件移动商城,随时随地采购
半导体行业观察第一站!
专注电子产业链,坚持深度原创
电子元器件原材料采购信息平台
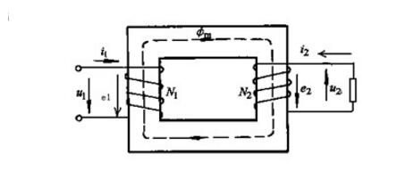
本文主要介绍了变压器运行分接档位的使用方法,其中包括变压器原理说明、变压器有载分接开关维护内容与要求、变压器的运行分接档位、变压器铭牌中看出运行分接档位的方法、如何调整变压器的分接头等方面的知识。
Copyright 2010-2023 hqbuy.com,Inc.All right reserved. 服务热线:400-830-6691 粤ICP备05106676号 经营许可证:粤B2-20210308
登录
请问您是:
采购商 工程师 在校学生 其他
您希望看到什么内容:
电子资讯 技术文章 PDF资料 电子论文 其他